Полезные статьи
-
Cерия чиллеров моделей «V-NRG” Холодопроизводительность от 200 до 730 кВт
-
Вентиляторы обдува компрессоров.
Компрессор S 20-56 Y (Frascold)
Характеристики товара
Современный полугерметичный холодильный компрессор Frascold S 20 - 56Y принадлежит категории промышленных низкотемпературных поршневых компрессоров и способен функционировать при повышенных давлениях, используя хладагенты R22, R407C, R134a, R404a, R507. Устройство оборудовано тепловой системой защиты с цепью термодатчиков, установленных в обмотках электродвигателя и подключенных к электронному блоку Kriwan, расположенному в клеммной коробке. Регулирование производительности может быть осуществлено с использованием головок регулирования производительности CC (опционально) для оптимального соответствия реальным рабочим условиям и снижения количества запусков/остановок компрессора. Данная модель создана с применением "инверторной технологии" и подходит для работы с частотными преобразователями в широком диапазоне: для четырехцилиндровых компрессоров без масляного насоса поддерживаются частоты от 25Гц до 87Гц с производительностью от 50% до 174%, а для четырехцилиндровых компрессоров с масляным насосом – допустимы частоты от 30Гц до 70Гц с производительностью от 60% до 140%.
Компрессор Frascold S 20 - 56Y серии S поставляется в стандартной конфигурации, включающей:
- Электродвигатель с разделенными обмотками и PTC термодатчиками;
- Блок контроля TOOECA01 для мониторинга температуры обмоток двигателя;
- Заправку маслом (POE);
- Вентили для всасывания и нагнетания;
- Резиновые виброизоляторы;
- Защитный газ (Азот);
- Схему подключения на английском языке;
- Упаковку: компрессор размещается на деревянном поддоне, сверху покрыт картоном и обернут стрейч-пленкой.
Дополнительные опции:
- Датчик температуры нагнетания;
- Опто-электронный контроль уровня масла;
- Регулятор уровня масла;
- Регулятор производительности 230В/1/50-60Гц;
- Разгрузка пуска.
Номин. мощн-ть двигателя HP 20
Номин. мощн-ть двигателя kW 14,9
Объемная произв-ть @ (1450 rpm - 50 Hz) m³/h 56
Объемная произв-ть @ (1740 rpm - 60 Hz) m³/h 67,2
Электропитание V/ph/Hz/Connection 400/3/50/PWS
MRA A 38,4
LRA A 87,5
LRA DOL A 136,2
Электропитание V/ph/Hz/Connection 230/3/50/DOL-DELTA
MRA A 64,1
LRA A 253
LRA DOL A null
макс частота эл. сети Hz 87
мин частота эл. сети Hz 25
Вес нетто kg 132
Холодильное масло FRASCOLD POE32
Заправка маслом l 2,9
Максимальное рабочее давление HP bar 30
Максимальное статическое давление BP bar 20,5
Ступень произв-ти % 100-75-50
Стандартные аксессуары - S20 - 56Y
Краны подачи и слива с соединением под сварку
Защитная упаковка, соответствующая транспортному средству
Распределительная коробка IP56
Индикатор(ы) уровня масла
Электронный защитный модуль INT69 T00ECA01A
Антивибрационные опоры (4 штуки)
Защитный заряд азота
Дополнительные аксессуары - S20 - 56Y
Двигатель для работы с особым напряжением
Нагреватель масла
Контроль емкости CC
Контроль емкости RSH
Запуск без нагрузки US
Дополнительный электровентилятор охлаждения
Комплект впрыска жидкости
Комплект адаптера для выравнивания масла
USB адаптер для диагностики T00EC57
Модуль Bluetooth для диагностики T00EC69
Соединительный кабель Modbus T00EC65
Шлюз DP-Modbus T00EC59
Специальная краска
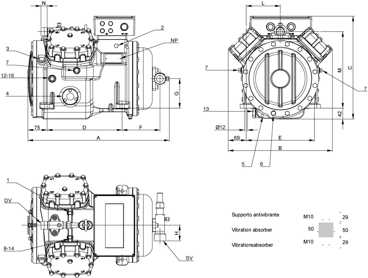
Расположение и соединения:
SV: Всасывающий вентиль mm 35
SV: Всасывающий вентиль inch 1 3/8"
DV: Нагнетательный вентиль mm 28,6
DV: Нагнетательный вентиль inch 1 1/8"
A: Длина mm 550
B: Ширина mm 405
C: Высота mm 405
D: Отверстия для крепежа mm 292
E: Отверстия для крепежа mm 266
F: Всасывающий вентиль mm 147
G: Всасывающий вентиль mm 115
H: Всасывающий вентиль mm 58
L: Нагнетательный вентиль mm 133
M: Нагнетательный вентиль mm 298
N: Нагнетательный вентиль mm 23
1: Разъем для высокого давления 1/8" NPT
2: Разъем для низкого давления 1/4" NPT
3: Заглушка (заправка масла) 1/4" GAS
4: Смотровое стекло уровня масла -
5: Место установки ТЭНа подогрева картера -
6: Заглушка (слив масла) M10 x 30
7: Разъем для клапана впрыска жидкости 1/4" NPT
8: Разъем для датчика впрыска жидкости 1/8" NPT
12: Заглушка возврата масла 1/4" NPT
13: Магнитная заглушка 1/2" GAS
14: Подключение датчика максимальной температуры нагнетания 1/8" NPT
16: Заглушка давления в картере 1/4" NPT
NP: Заводская этикетка на компрессоре -
Материалы для скачивания:
Технические характеристики компрессора Frascold
Инструкция по эксплуатации полугерметичных поршневых компрессоров Frascold
Каталог полугерметичных поршневых компрессоров Frascold
Декларация о соответствии компрессоров Frascold
Сертификат - ISO 9001-2015
Полезные ссылки
Деталлировка компрессора Frascold:
| Запасные части для компрессоров Frascold серии S | ||||||||||||||||||||||||||||||||||||||||||||||||||||||||||||||||||||||||||||||||||||||||||||||||||||||||||||||||||||||||||||||||||||||||||||||||||||||||||||||||||||||||||||||||||||||||||||||||||||||||||||||||||||||||||||||||||||||||||||||||||||||||||||||||||||||||||||||||||||||||||||||||||||||||||||||||||
| № поз. |
Наименование | КОД | S7- 51 | S10- 51Y | S15- 51Y | S7- 56Y | S15- 56Y | S20- 56Y | ||||||||||||||||||||||||||||||||||||||||||||||||||||||||||||||||||||||||||||||||||||||||||||||||||||||||||||||||||||||||||||||||||||||||||||||||||||||||||||||||||||||||||||||||||||||||||||||||||||||||||||||||||||||||||||||||||||||||||||||||||||||||||||||||||||||||||||||||||||||||||||||||||||||||||
| 30 | коленчатый вал | T00S4491002АА | 1 | 1 | ||||||||||||||||||||||||||||||||||||||||||||||||||||||||||||||||||||||||||||||||||||||||||||||||||||||||||||||||||||||||||||||||||||||||||||||||||||||||||||||||||||||||||||||||||||||||||||||||||||||||||||||||||||||||||||||||||||||||||||||||||||||||||||||||||||||||||||||||||||||||||||||||||||||||||||||
| 30 | коленчатый вал | T00S4451002АА | 1 | 1 | ||||||||||||||||||||||||||||||||||||||||||||||||||||||||||||||||||||||||||||||||||||||||||||||||||||||||||||||||||||||||||||||||||||||||||||||||||||||||||||||||||||||||||||||||||||||||||||||||||||||||||||||||||||||||||||||||||||||||||||||||||||||||||||||||||||||||||||||||||||||||||||||||||||||||||||||
| 32 | подогреватель картера 2308, 70 Вт | T00CH1RIC | 1 | 1 | 1 | 1 | 1 | 1 | ||||||||||||||||||||||||||||||||||||||||||||||||||||||||||||||||||||||||||||||||||||||||||||||||||||||||||||||||||||||||||||||||||||||||||||||||||||||||||||||||||||||||||||||||||||||||||||||||||||||||||||||||||||||||||||||||||||||||||||||||||||||||||||||||||||||||||||||||||||||||||||||||||||||||||
| 32 | подогреватель картера 1108, 70 Вт | T00CH5RIC | 1 | 1 | 1 | 1 | 1 | 1 | ||||||||||||||||||||||||||||||||||||||||||||||||||||||||||||||||||||||||||||||||||||||||||||||||||||||||||||||||||||||||||||||||||||||||||||||||||||||||||||||||||||||||||||||||||||||||||||||||||||||||||||||||||||||||||||||||||||||||||||||||||||||||||||||||||||||||||||||||||||||||||||||||||||||||||
| 59 | предохранительный клапан | T00S4491156 | 1 | 1 | 1 | 1 | 1 | 1 | ||||||||||||||||||||||||||||||||||||||||||||||||||||||||||||||||||||||||||||||||||||||||||||||||||||||||||||||||||||||||||||||||||||||||||||||||||||||||||||||||||||||||||||||||||||||||||||||||||||||||||||||||||||||||||||||||||||||||||||||||||||||||||||||||||||||||||||||||||||||||||||||||||||||||||
| 88 | электронный модуль 220B | ТООЕСА01 | 1 | 1 | 1 | 1 | 1 | 1 | ||||||||||||||||||||||||||||||||||||||||||||||||||||||||||||||||||||||||||||||||||||||||||||||||||||||||||||||||||||||||||||||||||||||||||||||||||||||||||||||||||||||||||||||||||||||||||||||||||||||||||||||||||||||||||||||||||||||||||||||||||||||||||||||||||||||||||||||||||||||||||||||||||||||||||
| 88 | электронный модvль 110B | ТООЕСА25 | 1 | 1 | 1 | 1 | 1 | 1 | ||||||||||||||||||||||||||||||||||||||||||||||||||||||||||||||||||||||||||||||||||||||||||||||||||||||||||||||||||||||||||||||||||||||||||||||||||||||||||||||||||||||||||||||||||||||||||||||||||||||||||||||||||||||||||||||||||||||||||||||||||||||||||||||||||||||||||||||||||||||||||||||||||||||||||
| 101 | всасывающий фильтр в комплекте | T00S4491038-А | 1 | 1 | 1 | 1 | ||||||||||||||||||||||||||||||||||||||||||||||||||||||||||||||||||||||||||||||||||||||||||||||||||||||||||||||||||||||||||||||||||||||||||||||||||||||||||||||||||||||||||||||||||||||||||||||||||||||||||||||||||||||||||||||||||||||||||||||||||||||||||||||||||||||||||||||||||||||||||||||||||||||||||||
|
Комплекты запасных частей
|
||||||||||||||||||||||||||||||||||||||||||||||||||||||||||||||||||||||||||||||||||||||||||||||||||||||||||||||||||||||||||||||||||||||||||||||||||||||||||||||||||||||||||||||||||||||||||||||||||||||||||||||||||||||||||||||||||||||||||||||||||||||||||||||||||||||||||||||||||||||||||||||||||||||||||||||||||
| 201 |
клапанная плита в комплекте, вкл. № поз: 66-67-68 |
T00SK36200 | ||||||||||||||||||||||||||||||||||||||||||||||||||||||||||||||||||||||||||||||||||||||||||||||||||||||||||||||||||||||||||||||||||||||||||||||||||||||||||||||||||||||||||||||||||||||||||||||||||||||||||||||||||||||||||||||||||||||||||||||||||||||||||||||||||||||||||||||||||||||||||||||||||||||||||||||||
| 201 |
клапанная плита в комплекте, вкл. № поз: 66-67-68 |
T00SK36201 | ||||||||||||||||||||||||||||||||||||||||||||||||||||||||||||||||||||||||||||||||||||||||||||||||||||||||||||||||||||||||||||||||||||||||||||||||||||||||||||||||||||||||||||||||||||||||||||||||||||||||||||||||||||||||||||||||||||||||||||||||||||||||||||||||||||||||||||||||||||||||||||||||||||||||||||||||
| 201 |
клапанная плита в комплекте, вкл. № поз: 66-67-68 |
T00SK36209 | ||||||||||||||||||||||||||||||||||||||||||||||||||||||||||||||||||||||||||||||||||||||||||||||||||||||||||||||||||||||||||||||||||||||||||||||||||||||||||||||||||||||||||||||||||||||||||||||||||||||||||||||||||||||||||||||||||||||||||||||||||||||||||||||||||||||||||||||||||||||||||||||||||||||||||||||||
| 201 |
клапанная плита в комплекте, вкл. № поз: 66-67-68 |
T00SK36202 | ||||||||||||||||||||||||||||||||||||||||||||||||||||||||||||||||||||||||||||||||||||||||||||||||||||||||||||||||||||||||||||||||||||||||||||||||||||||||||||||||||||||||||||||||||||||||||||||||||||||||||||||||||||||||||||||||||||||||||||||||||||||||||||||||||||||||||||||||||||||||||||||||||||||||||||||||
| 201 |
клапанная плита в комплекте, вкл. № поз: 66-67-68 |
T00SK36203 | ||||||||||||||||||||||||||||||||||||||||||||||||||||||||||||||||||||||||||||||||||||||||||||||||||||||||||||||||||||||||||||||||||||||||||||||||||||||||||||||||||||||||||||||||||||||||||||||||||||||||||||||||||||||||||||||||||||||||||||||||||||||||||||||||||||||||||||||||||||||||||||||||||||||||||||||||
| 201 |
клапанная плита в комплекте, вкл. № поз: 66-67-68 |
T00SK36204 | ||||||||||||||||||||||||||||||||||||||||||||||||||||||||||||||||||||||||||||||||||||||||||||||||||||||||||||||||||||||||||||||||||||||||||||||||||||||||||||||||||||||||||||||||||||||||||||||||||||||||||||||||||||||||||||||||||||||||||||||||||||||||||||||||||||||||||||||||||||||||||||||||||||||||||||||||
| 201 |
клапанная плита в комплекте, вкл. № поз: 66-67-68 |
T00SK36205 | 2 | |||||||||||||||||||||||||||||||||||||||||||||||||||||||||||||||||||||||||||||||||||||||||||||||||||||||||||||||||||||||||||||||||||||||||||||||||||||||||||||||||||||||||||||||||||||||||||||||||||||||||||||||||||||||||||||||||||||||||||||||||||||||||||||||||||||||||||||||||||||||||||||||||||||||||||||||
| 201 |
клапанная плита в комплекте, вкл. № поз: 66-67-68 |
T00SK36206 | 2 | |||||||||||||||||||||||||||||||||||||||||||||||||||||||||||||||||||||||||||||||||||||||||||||||||||||||||||||||||||||||||||||||||||||||||||||||||||||||||||||||||||||||||||||||||||||||||||||||||||||||||||||||||||||||||||||||||||||||||||||||||||||||||||||||||||||||||||||||||||||||||||||||||||||||||||||||
| 201 |
клапанная плита в комплекте, вкл. № поз: 66-67-68 |
T00SK36207 | ||||||||||||||||||||||||||||||||||||||||||||||||||||||||||||||||||||||||||||||||||||||||||||||||||||||||||||||||||||||||||||||||||||||||||||||||||||||||||||||||||||||||||||||||||||||||||||||||||||||||||||||||||||||||||||||||||||||||||||||||||||||||||||||||||||||||||||||||||||||||||||||||||||||||||||||||
| 201 |
клапанная плита в комплекте, вкл. № поз: 66-67-68 |
T00SK44900 | ||||||||||||||||||||||||||||||||||||||||||||||||||||||||||||||||||||||||||||||||||||||||||||||||||||||||||||||||||||||||||||||||||||||||||||||||||||||||||||||||||||||||||||||||||||||||||||||||||||||||||||||||||||||||||||||||||||||||||||||||||||||||||||||||||||||||||||||||||||||||||||||||||||||||||||||||
| 201 |
клапанная плита в комплекте, вкл. № поз: 66-67-68 |
T00SK44906 | 2 | 2 | ||||||||||||||||||||||||||||||||||||||||||||||||||||||||||||||||||||||||||||||||||||||||||||||||||||||||||||||||||||||||||||||||||||||||||||||||||||||||||||||||||||||||||||||||||||||||||||||||||||||||||||||||||||||||||||||||||||||||||||||||||||||||||||||||||||||||||||||||||||||||||||||||||||||||||||||
| 202 | комплект прокладок, вкл. № поз: 5-18-23-25-58-66-68-76-81-83-103-117-133 | T00SK1300 | ||||||||||||||||||||||||||||||||||||||||||||||||||||||||||||||||||||||||||||||||||||||||||||||||||||||||||||||||||||||||||||||||||||||||||||||||||||||||||||||||||||||||||||||||||||||||||||||||||||||||||||||||||||||||||||||||||||||||||||||||||||||||||||||||||||||||||||||||||||||||||||||||||||||||||||||||
| 202 | комплект прокладок, вкл. № поз: 5-18-23-25-58-66-68-76-81-83-103-117-133 | T00SK1400 | ||||||||||||||||||||||||||||||||||||||||||||||||||||||||||||||||||||||||||||||||||||||||||||||||||||||||||||||||||||||||||||||||||||||||||||||||||||||||||||||||||||||||||||||||||||||||||||||||||||||||||||||||||||||||||||||||||||||||||||||||||||||||||||||||||||||||||||||||||||||||||||||||||||||||||||||||
| 202 | комплект прокладок, вкл. № поз: 5-18-23-25-58-66-68-76-81-83-103-117-133 | T00SK1500 | 1 | |||||||||||||||||||||||||||||||||||||||||||||||||||||||||||||||||||||||||||||||||||||||||||||||||||||||||||||||||||||||||||||||||||||||||||||||||||||||||||||||||||||||||||||||||||||||||||||||||||||||||||||||||||||||||||||||||||||||||||||||||||||||||||||||||||||||||||||||||||||||||||||||||||||||||||||||
| 202 | комплект прокладок, вкл. № поз: 5-18-23-25-58-66-68-76-81-83-103-117-133 | T00SK1600 | 1 | |||||||||||||||||||||||||||||||||||||||||||||||||||||||||||||||||||||||||||||||||||||||||||||||||||||||||||||||||||||||||||||||||||||||||||||||||||||||||||||||||||||||||||||||||||||||||||||||||||||||||||||||||||||||||||||||||||||||||||||||||||||||||||||||||||||||||||||||||||||||||||||||||||||||||||||||
| 202 | комплект прокладок, вкл. № поз: 5-18-23-25-58-66-68-76-81-83-103-117-133 | T00SK1700 | 1 | 1 | ||||||||||||||||||||||||||||||||||||||||||||||||||||||||||||||||||||||||||||||||||||||||||||||||||||||||||||||||||||||||||||||||||||||||||||||||||||||||||||||||||||||||||||||||||||||||||||||||||||||||||||||||||||||||||||||||||||||||||||||||||||||||||||||||||||||||||||||||||||||||||||||||||||||||||||||
| 203 | запорный вентиль на всасывании в комплекте, вкл.№ поз: 103-105 | T00SK100600 | 1 | |||||||||||||||||||||||||||||||||||||||||||||||||||||||||||||||||||||||||||||||||||||||||||||||||||||||||||||||||||||||||||||||||||||||||||||||||||||||||||||||||||||||||||||||||||||||||||||||||||||||||||||||||||||||||||||||||||||||||||||||||||||||||||||||||||||||||||||||||||||||||||||||||||||||||||||||
| 203 | запорный вентиль на всасывании в комплекте, вкл.№ поз: 103-105 | T00SK100640 | 1 | 1 | 1 | |||||||||||||||||||||||||||||||||||||||||||||||||||||||||||||||||||||||||||||||||||||||||||||||||||||||||||||||||||||||||||||||||||||||||||||||||||||||||||||||||||||||||||||||||||||||||||||||||||||||||||||||||||||||||||||||||||||||||||||||||||||||||||||||||||||||||||||||||||||||||||||||||||||||||||||
| 204 | запорный вентиль на нагнетании в комплекте, вкл.№ поз: 57-58 | T00SK100520 | 1 | 1 | 1 | 1 | ||||||||||||||||||||||||||||||||||||||||||||||||||||||||||||||||||||||||||||||||||||||||||||||||||||||||||||||||||||||||||||||||||||||||||||||||||||||||||||||||||||||||||||||||||||||||||||||||||||||||||||||||||||||||||||||||||||||||||||||||||||||||||||||||||||||||||||||||||||||||||||||||||||||||||||
| 205 | шатунно-поршневая группа, вкл. № поз.: 50-51-52-53-54-55 | T00SK132005 | ||||||||||||||||||||||||||||||||||||||||||||||||||||||||||||||||||||||||||||||||||||||||||||||||||||||||||||||||||||||||||||||||||||||||||||||||||||||||||||||||||||||||||||||||||||||||||||||||||||||||||||||||||||||||||||||||||||||||||||||||||||||||||||||||||||||||||||||||||||||||||||||||||||||||||||||||
| 205 | шатунно-поршневая группа, вкл. № поз.: 50-51-52-53-54-55 | T00SK132105 | Аналоги компрессоров
| |||||||||||||||||||||||||||||||||||||||||||||||||||||||||||||||||||||||||||||||||||||||||||||||||||||||||||||||||||||||||||||||||||||||||||||||||||||||||||||||||||||||||||||||||||||||||||||||||||||||||||||||||||||||||||||||||||||||||||||||||||||||||||||||||||||||||||||||||||||||||||||||||||||||||||||||





