Полезные статьи
-
Cерия чиллеров моделей «V-NRG” Холодопроизводительность от 200 до 730 кВт
-
Вентиляторы обдува компрессоров.
Компрессор A 0.7-5 Y (Frascold)
Характеристики товара
Полугерметичный холодильный компрессор Frascold A 0.7 - 5Y представляет собой современный вид промышленного поршневого компрессора среднетемпературного диапазона, способного функционировать при повышенном давлении и использовать хладагенты R22, R407C, R134a, R404a, R507. Он обладает системой защиты от перегрева, включающей цепь термодатчиков, размещенных в обмотках электродвигателя и связанных с электронным блоком Kriwan, установленным в клеммной коробке. Возможно регулирование производительности при применении частотного преобразователя. Данная модель изготовлена с применением "инверторной технологии" и подходит для работы с частотными преобразователями в широком диапазоне: для двухцилиндровых компрессоров допустимы частоты от 30Гц до 87Гц, что соответствует изменению производительности от 60% до 174% (по сравнению с 50Гц).
Компрессор Frascold A 0.7 - 5Y серии А поставляется в стандартной комплектации, включающей:
- Электродвигатель непосредственного включения с PTC термодатчиками;
- Блок контроля TOOECA01 для отслеживания температуры обмоток двигателя;
- Заправку маслом (POE);
- Вентили для всасывания и нагнетания;
- Резиновые виброизоляторы;
- Заправку защитным газом (Азот);
- Схему подключения на английском языке;
- Упаковку: компрессор укладывается на деревянный паллет, верхняя часть покрыта картоном и защищена стретч-пленкой.
Дополнительные опции:
- Опто-электронный контроль уровня масла;
- Картерный нагреватель масла 230В/1/50-60Гц;
- Регулятор уровня масла.
кол-во цилиндров 2
Номин. мощн-ть двигателя HP 1
Номин. мощн-ть двигателя kW 0,5
Объемная произв-ть @ (1450 rpm - 50 Hz) m³/h 4,9
Объемная произв-ть @ (1740 rpm - 60 Hz) m³/h 5,9
Электропитание V/ph/Hz/Connection 400/3/50/DOL-STAR
MRA A 2,7
LRA A 10,7
LRA DOL A null
Электропитание V/ph/Hz/Connection 230/3/50/DOL-DELTA
MRA A 4,7
LRA A 18,6
LRA DOL A null
макс частота эл. сети Hz 87
мин частота эл. сети Hz 30
Вес нетто kg 36
Холодильное масло FRASCOLD POE32
Заправка маслом l 1
Максимальное рабочее давление HP bar 30
Максимальное статическое давление BP bar 20,5
Ступень произв-ти % 100
Краны подачи и слива с соединением под сварку
Защитная упаковка, соответствующая транспортному средству
Распределительная коробка IP56
Индикатор(ы) уровня масла
Электронный защитный модуль INT69 T00ECA01A
Антивибрационные опоры (4 штуки)
Защитный заряд азота
Дополнительные аксессуары - A07-5Y
Двигатель для работы с особым напряжением
Нагреватель масла
Дополнительный электровентилятор охлаждения
Комплект адаптера для выравнивания масла
Специальная краска
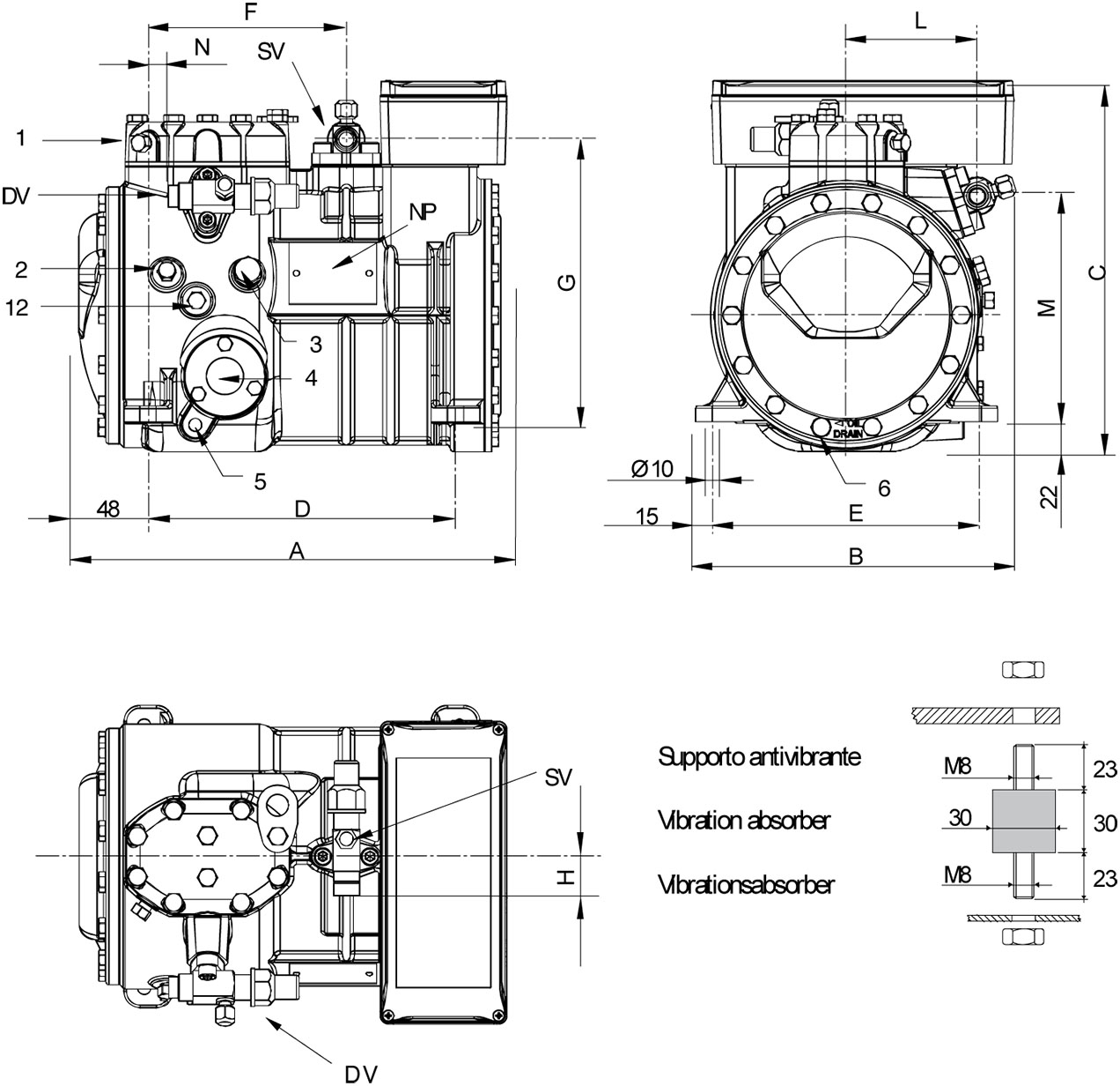
Расположение и соединения:
SV: Всасывающий вентиль mm 16
SV: Всасывающий вентиль inch 5/8"
DV: Нагнетательный вентиль mm 12,7
DV: Нагнетательный вентиль inch 1/2"
A: Длина mm 317
B: Ширина mm 237
C: Высота mm 275
D: Отверстия для крепежа mm 234
E: Отверстия для крепежа mm 194
F: Всасывающий вентиль mm 150
G: Всасывающий вентиль mm 209
H: Всасывающий вентиль mm 29
L: Нагнетательный вентиль mm 97
M: Нагнетательный вентиль mm 167
N: Нагнетательный вентиль mm 18
1: Разъем для высокого давления 1/8" NPT
2: Разъем для низкого давления 1/8" NPT
3: Заглушка (заправка масла) 1/4" GAS
4: Смотровое стекло уровня масла -
5: Место установки ТЭНа подогрева картера -
6: Заглушка (слив масла) M8 x 22
12: Заглушка возврата масла 1/8" NPT
NP: Заводская этикетка на компрессоре -
Материалы для скачивания:
Технические характеристики компрессора Frascold
Инструкция по эксплуатации полугерметичных поршневых компрессоров Frascold
Каталог полугерметичных поршневых компрессоров Frascold
Декларация о соответствии компрессоров Frascold
Сертификат - ISO 9001-2015
Полезные ссылки
Деталлировка компрессора Frascold:
| Запасные части для компрессоров Frascold серии А | |||||||||||||||||||||||||||||||||||||||||||||||||||||||||||||||||||||||||||||||||||||||||||||||||||||||||||||||||||||||||||||||||||||||||||||||||||||||||||||||||||||||||||||||||||||||||||||||||||||||||||||||||||||||||||||||||||||||||||||||||||||||||||||||||||||||||||||||||||||||||||||||||||||||||||||
| № поз. | Наименование | код | A05-4Y | A05-5Y | A07-5Y | A07-6Y | A1-6Y | A1-7Y | A1.5-7Y | A1.5-8Y | |||||||||||||||||||||||||||||||||||||||||||||||||||||||||||||||||||||||||||||||||||||||||||||||||||||||||||||||||||||||||||||||||||||||||||||||||||||||||||||||||||||||||||||||||||||||||||||||||||||||||||||||||||||||||||||||||||||||||||||||||||||||||||||||||||||||||||||||||||||||||||||||||||
| 30 | коленчатый вал | T00S1251002AA | 1 | 1 | 1 | 1 | 1 | ||||||||||||||||||||||||||||||||||||||||||||||||||||||||||||||||||||||||||||||||||||||||||||||||||||||||||||||||||||||||||||||||||||||||||||||||||||||||||||||||||||||||||||||||||||||||||||||||||||||||||||||||||||||||||||||||||||||||||||||||||||||||||||||||||||||||||||||||||||||||||||||||||||||
| 30 | коленчатый вал | T00S1351002АА | 1 | 1 | 1 | ||||||||||||||||||||||||||||||||||||||||||||||||||||||||||||||||||||||||||||||||||||||||||||||||||||||||||||||||||||||||||||||||||||||||||||||||||||||||||||||||||||||||||||||||||||||||||||||||||||||||||||||||||||||||||||||||||||||||||||||||||||||||||||||||||||||||||||||||||||||||||||||||||||||||
| 32 | подогреватель картера 230В, 50 Вт | T00CH13RIC | 1 | 1 | 1 | 1 | 1 | 1 | 1 | 1 | |||||||||||||||||||||||||||||||||||||||||||||||||||||||||||||||||||||||||||||||||||||||||||||||||||||||||||||||||||||||||||||||||||||||||||||||||||||||||||||||||||||||||||||||||||||||||||||||||||||||||||||||||||||||||||||||||||||||||||||||||||||||||||||||||||||||||||||||||||||||||||||||||||
| 88 | электронный модуль 220В, 3 фазы | Т00ЕСА01 | 1 | 1 | 1 | 1 | 1 | 1 | 1 | 1 | |||||||||||||||||||||||||||||||||||||||||||||||||||||||||||||||||||||||||||||||||||||||||||||||||||||||||||||||||||||||||||||||||||||||||||||||||||||||||||||||||||||||||||||||||||||||||||||||||||||||||||||||||||||||||||||||||||||||||||||||||||||||||||||||||||||||||||||||||||||||||||||||||||
| 88 | электронный модуль 11ОВ, 3 фазы | Т00ЕСА26 | 1 | 1 | 1 | 1 | 1 | 1 | 1 | 1 | |||||||||||||||||||||||||||||||||||||||||||||||||||||||||||||||||||||||||||||||||||||||||||||||||||||||||||||||||||||||||||||||||||||||||||||||||||||||||||||||||||||||||||||||||||||||||||||||||||||||||||||||||||||||||||||||||||||||||||||||||||||||||||||||||||||||||||||||||||||||||||||||||||
| 101 | всасывающий фильтр в комплекте | T00S1251038-A | 1 | 1 | 1 | 1 | 1 | 1 | 1 | 1 | |||||||||||||||||||||||||||||||||||||||||||||||||||||||||||||||||||||||||||||||||||||||||||||||||||||||||||||||||||||||||||||||||||||||||||||||||||||||||||||||||||||||||||||||||||||||||||||||||||||||||||||||||||||||||||||||||||||||||||||||||||||||||||||||||||||||||||||||||||||||||||||||||||
| Комплекты запасных частей | |||||||||||||||||||||||||||||||||||||||||||||||||||||||||||||||||||||||||||||||||||||||||||||||||||||||||||||||||||||||||||||||||||||||||||||||||||||||||||||||||||||||||||||||||||||||||||||||||||||||||||||||||||||||||||||||||||||||||||||||||||||||||||||||||||||||||||||||||||||||||||||||||||||||||||||
| 201 | клапанная плита в комплекте, вкл. № поз: 66-67-68 | T00SK12500 | 1 | ||||||||||||||||||||||||||||||||||||||||||||||||||||||||||||||||||||||||||||||||||||||||||||||||||||||||||||||||||||||||||||||||||||||||||||||||||||||||||||||||||||||||||||||||||||||||||||||||||||||||||||||||||||||||||||||||||||||||||||||||||||||||||||||||||||||||||||||||||||||||||||||||||||||||||
| 201 | клапанная плита в комплекте, вкл. № поз: 66-67-68 | T00SK12501 | 1 | 1 | 1 | 1 | |||||||||||||||||||||||||||||||||||||||||||||||||||||||||||||||||||||||||||||||||||||||||||||||||||||||||||||||||||||||||||||||||||||||||||||||||||||||||||||||||||||||||||||||||||||||||||||||||||||||||||||||||||||||||||||||||||||||||||||||||||||||||||||||||||||||||||||||||||||||||||||||||||||||
| 201 | клапанная плита в комплекте, вкл. № поз: 66-67-68 | T00SK12502 | 1 | 1 | 1 | ||||||||||||||||||||||||||||||||||||||||||||||||||||||||||||||||||||||||||||||||||||||||||||||||||||||||||||||||||||||||||||||||||||||||||||||||||||||||||||||||||||||||||||||||||||||||||||||||||||||||||||||||||||||||||||||||||||||||||||||||||||||||||||||||||||||||||||||||||||||||||||||||||||||||
| 202 | комплект прокладок, вкл. № поз: 5 18 25 58 66 68 81 83 103 117 133 148 153 154 |
T00SK0100 | 1 | ||||||||||||||||||||||||||||||||||||||||||||||||||||||||||||||||||||||||||||||||||||||||||||||||||||||||||||||||||||||||||||||||||||||||||||||||||||||||||||||||||||||||||||||||||||||||||||||||||||||||||||||||||||||||||||||||||||||||||||||||||||||||||||||||||||||||||||||||||||||||||||||||||||||||||
| 202 | комплект прокладок, вкл. № поз: 5 18 25 58 66 68 81 83 103 117 133 148 153 154 |
T00SK0200 | 1 | 1 | 1 | 1 | |||||||||||||||||||||||||||||||||||||||||||||||||||||||||||||||||||||||||||||||||||||||||||||||||||||||||||||||||||||||||||||||||||||||||||||||||||||||||||||||||||||||||||||||||||||||||||||||||||||||||||||||||||||||||||||||||||||||||||||||||||||||||||||||||||||||||||||||||||||||||||||||||||||||
| 202 | комплект прокладок, вкл. № поз: 5 18 25 58 66 68 81 83 103 117 133 148 153 154 |
T00SK0300 | 1 | 1 | 1 | ||||||||||||||||||||||||||||||||||||||||||||||||||||||||||||||||||||||||||||||||||||||||||||||||||||||||||||||||||||||||||||||||||||||||||||||||||||||||||||||||||||||||||||||||||||||||||||||||||||||||||||||||||||||||||||||||||||||||||||||||||||||||||||||||||||||||||||||||||||||||||||||||||||||||
| 203 | запорный вентиль на всасывании в комплекте, вкл. № поз: 103-105 |
T00SK100120 | 1 | 1 | 1 | 1 | 1 | 1 | 1 | 1 | |||||||||||||||||||||||||||||||||||||||||||||||||||||||||||||||||||||||||||||||||||||||||||||||||||||||||||||||||||||||||||||||||||||||||||||||||||||||||||||||||||||||||||||||||||||||||||||||||||||||||||||||||||||||||||||||||||||||||||||||||||||||||||||||||||||||||||||||||||||||||||||||||||
| 204 | запорный вентиль на нагнетании в комплекте, вкл. № поз: 57-58 |
T00SK100110 | 1 | 1 | 1 | 1 | 1 | 1 | 1 | 1 | |||||||||||||||||||||||||||||||||||||||||||||||||||||||||||||||||||||||||||||||||||||||||||||||||||||||||||||||||||||||||||||||||||||||||||||||||||||||||||||||||||||||||||||||||||||||||||||||||||||||||||||||||||||||||||||||||||||||||||||||||||||||||||||||||||||||||||||||||||||||||||||||||||
| 205 | шатунно-поршневая группа, вкл. № поз.: 50-51-52-54 55 |
T00SK130100 | 2 | ||||||||||||||||||||||||||||||||||||||||||||||||||||||||||||||||||||||||||||||||||||||||||||||||||||||||||||||||||||||||||||||||||||||||||||||||||||||||||||||||||||||||||||||||||||||||||||||||||||||||||||||||||||||||||||||||||||||||||||||||||||||||||||||||||||||||||||||||||||||||||||||||||||||||||
| 205 | шатунно-поршневая группа, вкл. № поз.: 50-51-52-54 55 |
T00SK130200 | 2 | 2 | |||||||||||||||||||||||||||||||||||||||||||||||||||||||||||||||||||||||||||||||||||||||||||||||||||||||||||||||||||||||||||||||||||||||||||||||||||||||||||||||||||||||||||||||||||||||||||||||||||||||||||||||||||||||||||||||||||||||||||||||||||||||||||||||||||||||||||||||||||||||||||||||||||||||||
| 205 | шатунно-поршневая группа, вкл. № поз.: 50-51-52-54 55 |
T00SK130300 | 2 | 2 | |||||||||||||||||||||||||||||||||||||||||||||||||||||||||||||||||||||||||||||||||||||||||||||||||||||||||||||||||||||||||||||||||||||||||||||||||||||||||||||||||||||||||||||||||||||||||||||||||||||||||||||||||||||||||||||||||||||||||||||||||||||||||||||||||||||||||||||||||||||||||||||||||||||||||
| 205 | шатунно-поршневая группа, вкл. № поз.: 50-51-52-54 55 | T00SK130400 | 2 | 2 | |||||||||||||||||||||||||||||||||||||||||||||||||||||||||||||||||||||||||||||||||||||||||||||||||||||||||||||||||||||||||||||||||||||||||||||||||||||||||||||||||||||||||||||||||||||||||||||||||||||||||||||||||||||||||||||||||||||||||||||||||||||||||||||||||||||||||||||||||||||||||||||||||||||||||
| 205 | шатунно-поршневая группа, вкл. № поз.: 50-51-52-54 55 |
T00SK130500 | 2 | ||||||||||||||||||||||||||||||||||||||||||||||||||||||||||||||||||||||||||||||||||||||||||||||||||||||||||||||||||||||||||||||||||||||||||||||||||||||||||||||||||||||||||||||||||||||||||||||||||||||||||||||||||||||||||||||||||||||||||||||||||||||||||||||||||||||||||||||||||||||||||||||||||||||||||
| 207 | комплект подшипников скольжения, вкл. № поз.: 49- 63-122 |
T00SK140000 | 1 | 1 | 1 | 1 | 1 | 1 | 1 | 1 | |||||||||||||||||||||||||||||||||||||||||||||||||||||||||||||||||||||||||||||||||||||||||||||||||||||||||||||||||||||||||||||||||||||||||||||||||||||||||||||||||||||||||||||||||||||||||||||||||||||||||||||||||||||||||||||||||||||||||||||||||||||||||||||||||||||||||||||||||||||||||||||||||||
| 208 | комплект резиновых виброопор вкл. № поз.: 11-12- 13-14-15 |
T00SK205010 | 1 | 1 | 1 | 1 | 1 | 1 | 1 | 1 | |||||||||||||||||||||||||||||||||||||||||||||||||||||||||||||||||||||||||||||||||||||||||||||||||||||||||||||||||||||||||||||||||||||||||||||||||||||||||||||||||||||||||||||||||||||||||||||||||||||||||||||||||||||||||||||||||||||||||||||||||||||||||||||||||||||||||||||||||||||||||||||||||||
| 211 | комплект клеммной коробки (1 ф эл/двигатель), вкл. № поз.: 81- 82- 85 |
T00SK180100 | 1 | 1 | 1 | 1 | 1 | 1 | 1 | 1 | |||||||||||||||||||||||||||||||||||||||||||||||||||||||||||||||||||||||||||||||||||||||||||||||||||||||||||||||||||||||||||||||||||||||||||||||||||||||||||||||||||||||||||||||||||||||||||||||||||||||||||||||||||||||||||||||||||||||||||||||||||||||||||||||||||||||||||||||||||||||||||||||||||
| 211 | комплект клеммной коробки (3 ф эл/двигатель), вкл. № поз.: 81-82-83-84-85 |
T00SK180300** | 1 | 1 | 1 | 1 | 1 | 1 | 1 | 1 | |||||||||||||||||||||||||||||||||||||||||||||||||||||||||||||||||||||||||||||||||||||||||||||||||||||||||||||||||||||||||||||||||||||||||||||||||||||||||||||||||||||||||||||||||||||||||||||||||||||||||||||||||||||||||||||||||||||||||||||||||||||||||||||||||||||||||||||||||||||||||||||||||||
| ** для компрессоров, изготовленных после сентября 2000 | |||||||||||||||||||||||||||||||||||||||||||||||||||||||||||||||||||||||||||||||||||||||||||||||||||||||||||||||||||||||||||||||||||||||||||||||||||||||||||||||||||||||||||||||||||||||||||||||||||||||||||||||||||||||||||||||||||||||||||||||||||||||||||||||||||||||||||||||||||||||||||||||||||||||||||||
| 212 | смотровое стекло в комплекте, вкл. № поз.: 3-4-5 | T00SK170100 | 1 | 1 | 1 | 1 | 1 | 1 | 1 | 1 | |||||||||||||||||||||||||||||||||||||||||||||||||||||||||||||||||||||||||||||||||||||||||||||||||||||||||||||||||||||||||||||||||||||||||||||||||||||||||||||||||||||||||||||||||||||||||||||||||||||||||||||||||||||||||||||||||||||||||||||||||||||||||||||||||||||||||||||||||||||||||||||||||||
| 213 | электродвигатель в сборе 0,37 кВт (0,5 л.с.) | ||||||||||||||||||||||||||||||||||||||||||||||||||||||||||||||||||||||||||||||||||||||||||||||||||||||||||||||||||||||||||||||||||||||||||||||||||||||||||||||||||||||||||||||||||||||||||||||||||||||||||||||||||||||||||||||||||||||||||||||||||||||||||||||||||||||||||||||||||||||||||||||||||||||||||||
| 230-400/3/50 DOL | T00SK230111 | 1 | 1 | ||||||||||||||||||||||||||||||||||||||||||||||||||||||||||||||||||||||||||||||||||||||||||||||||||||||||||||||||||||||||||||||||||||||||||||||||||||||||||||||||||||||||||||||||||||||||||||||||||||||||||||||||||||||||||||||||||||||||||||||||||||||||||||||||||||||||||||||||||||||||||||||||||||||||||
| 213 | электродвигатель в сборе 0.5 кВт (0.75 л.с.) | ||||||||||||||||||||||||||||||||||||||||||||||||||||||||||||||||||||||||||||||||||||||||||||||||||||||||||||||||||||||||||||||||||||||||||||||||||||||||||||||||||||||||||||||||||||||||||||||||||||||||||||||||||||||||||||||||||||||||||||||||||||||||||||||||||||||||||||||||||||||||||||||||||||||||||||
| 230-400/3/50 DOL | T00SK230111 | 1 | 1 | ||||||||||||||||||||||||||||||||||||||||||||||||||||||||||||||||||||||||||||||||||||||||||||||||||||||||||||||||||||||||||||||||||||||||||||||||||||||||||||||||||||||||||||||||||||||||||||||||||||||||||||||||||||||||||||||||||||||||||||||||||||||||||||||||||||||||||||||||||||||||||||||||||||||||||
Аналоги компрессоров
| |||||||||||||||||||||||||||||||||||||||||||||||||||||||||||||||||||||||||||||||||||||||||||||||||||||||||||||||||||||||||||||||||||||||||||||||||||||||||||||||||||||||||||||||||||||||||||||||||||||||||||||||||||||||||||||||||||||||||||||||||||||||||||||||||||||||||||||||||||||||||||||||||||||||||||||





