Полезные статьи
-
Cерия чиллеров моделей «V-NRG” Холодопроизводительность от 200 до 730 кВт
-
Вентиляторы обдува компрессоров.
Компрессор B 1.5 - 10.1 Y (Frascold)
Характеристики товара
Холодильный компрессор Frascold модели B 1.5 - 10.1Y представляет собой современный промышленный поршневой холодильный компрессор с полугерметичным исполнением, способный работать при высоком давлении и использовать фреоны: R22, R407C, R134a, R404a, R507. Он оснащен системой тепловой защиты с цепью термодатчиков, подключенных к электронному блоку Kriwan для защиты обмоток электродвигателя. Регулирование производительности достигается при помощи частотного преобразователя. Этот компрессор выполнен по инверторной технологии и совместим с широким диапазоном частот: для двухцилиндровых компрессоров частоты могут варьироваться от 30Гц до 87Гц, что соответствует производительности от 60% до 174% (по сравнению с 50Гц).
Компрессор Frascold B 1.5 - 10.1Y серии B поставляется со следующими опциями:
- Электродвигатель непосредственного включения с PTC термодатчиками
- Блок контроля TOOECA01 (контроль температуры обмоток двигателя)
- Заправка маслом (POE)
- Вентилями на всасывание и нагнетание
- Резиновыми виброизоляторами
- Заправка защитным газом (Азот)
- Схема подключения на английском языке
- Упаковка: компрессор устанавливается на деревянный поддон, покрытый картоном и стретч-пленкой
Дополнительные опции доступны:
- Опто-электронный контроль уровня масла
- Картерный нагреватель масла 230В/1/50-60Гц
- Регулятор уровня масла
Компрессор Frascold B 1.5 - 10.1Y представляет собой надежное и функциональное оборудование для широкого спектра применений в индустрии холодильных систем.
Номин. мощн-ть двигателя HP 2
Номин. мощн-ть двигателя kW 1,1
Объемная произв-ть @ (1450 rpm - 50 Hz) m³/h 9,9
Объемная произв-ть @ (1740 rpm - 60 Hz) m³/h 11,9
Электропитание V/ph/Hz/Connection 400/3/50/DOL-STAR
MRA A 5,5
LRA A 26,8
LRA DOL A null
Электропитание V/ph/Hz/Connection 230/3/50/DOL-DELTA
MRA A 9,5
LRA A 46,6
LRA DOL A null
макс частота эл. сети Hz 87
мин частота эл. сети Hz 30
Вес нетто kg 38
Холодильное масло FRASCOLD POE32
Заправка маслом l 1
Максимальное рабочее давление HP bar 30
Максимальное статическое давление BP bar 20,5
Ступень произв-ти % 100
Краны подачи и слива с соединением под сварку
Защитная упаковка, соответствующая транспортному средству
Распределительная коробка IP56
Индикатор(ы) уровня масла
Электронный защитный модуль INT69 T00ECA01A
Антивибрационные опоры (4 штуки)
Защитный заряд азота
Дополнительные аксессуары - B1.5 - 10.1Y
Двигатель для работы с особым напряжением
Нагреватель масла
Дополнительный электровентилятор охлаждения
Комплект адаптера для выравнивания масла
Специальная краска
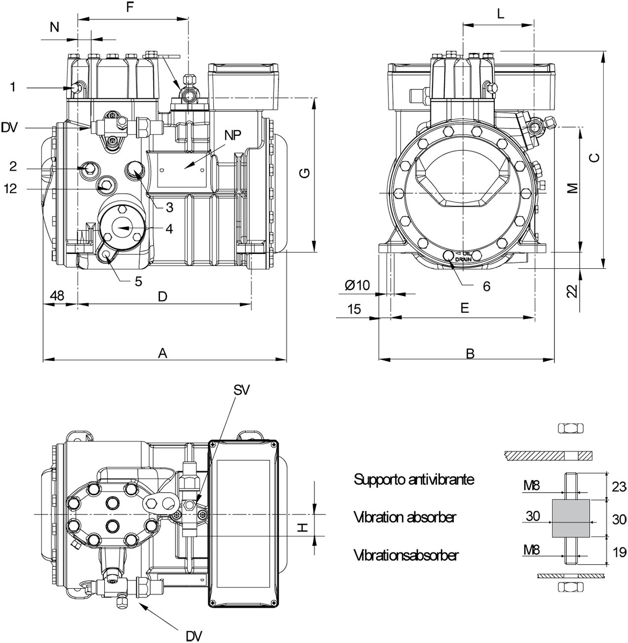
Расположение и соединения:
SV: Всасывающий вентиль mm 16
SV: Всасывающий вентиль inch 5/8"
DV: Нагнетательный вентиль mm 12,7
DV: Нагнетательный вентиль inch 1/2"
A: Длина mm 329
B: Ширина mm 237
C: Высота mm 292
D: Отверстия для крепежа mm 234
E: Отверстия для крепежа mm 194
F: Всасывающий вентиль mm 150
G: Всасывающий вентиль mm 209
H: Всасывающий вентиль mm 29
L: Нагнетательный вентиль mm 97
M: Нагнетательный вентиль mm 167
N: Нагнетательный вентиль mm 18
1: Разъем для высокого давления 1/8" NPT
2: Разъем для низкого давления 1/8" NPT
3: Заглушка (заправка масла) 1/4" GAS
4: Смотровое стекло уровня масла -
5: Место установки ТЭНа подогрева картера -
6: Заглушка (слив масла) M8 x 22
12: Заглушка возврата масла 1/8" NPT
NP: Заводская этикетка на компрессоре -
Материалы для скачивания:
Технические характеристики компрессора Frascold
Инструкция по эксплуатации полугерметичных поршневых компрессоров Frascold
Каталог полугерметичных поршневых компрессоров Frascold
Декларация о соответствии компрессоров Frascold
Сертификат - ISO 9001-2015
Полезные ссылки
Деталлировка компрессора Frascold:
| Запасные части дпя компрессоров Frascold серии В | ||||||||||||||||||||||||||||||||||||||||||||||||||||||||||||||||||||||||||||||||||||||||||||||||||||||||||||||||||||||||||||||||||||||||||||||||||||||||||||||||||||||||||||||||||||||||||||||||||||||||||||||||||||||||||||||||||||||||||||||||||||||||||||||||||||||||||||||||||||||||||||||||||||||||||||
| № поз. |
Наименование | код | B1.5-10(Y) | B1.5-10.1 | B1.5-9 (Y) | B1.5-10.1 | B2-10(Y) | B 2-10.1 | ||||||||||||||||||||||||||||||||||||||||||||||||||||||||||||||||||||||||||||||||||||||||||||||||||||||||||||||||||||||||||||||||||||||||||||||||||||||||||||||||||||||||||||||||||||||||||||||||||||||||||||||||||||||||||||||||||||||||||||||||||||||||||||||||||||||||||||||||||||||||||||||||||||
| 30 | коленчатый вал | T00S1411002AA | 1 | 1 | 1 | 1 | ||||||||||||||||||||||||||||||||||||||||||||||||||||||||||||||||||||||||||||||||||||||||||||||||||||||||||||||||||||||||||||||||||||||||||||||||||||||||||||||||||||||||||||||||||||||||||||||||||||||||||||||||||||||||||||||||||||||||||||||||||||||||||||||||||||||||||||||||||||||||||||||||||||||
| 30 | коленчатый вал | T00S1451002AA | 1 | 1 | ||||||||||||||||||||||||||||||||||||||||||||||||||||||||||||||||||||||||||||||||||||||||||||||||||||||||||||||||||||||||||||||||||||||||||||||||||||||||||||||||||||||||||||||||||||||||||||||||||||||||||||||||||||||||||||||||||||||||||||||||||||||||||||||||||||||||||||||||||||||||||||||||||||||||
| 32 | подогоеватель каотеоа 230В, 50 Вт | T00CH13RIC | 1 | 1 | 1 | 1 | 1 | 1 | ||||||||||||||||||||||||||||||||||||||||||||||||||||||||||||||||||||||||||||||||||||||||||||||||||||||||||||||||||||||||||||||||||||||||||||||||||||||||||||||||||||||||||||||||||||||||||||||||||||||||||||||||||||||||||||||||||||||||||||||||||||||||||||||||||||||||||||||||||||||||||||||||||||
| 88 | электронный модуль 220В, 3 Фазы | Т00ЕСА01 | 1 | 1 | 1 | 1 | 1 | 1 | ||||||||||||||||||||||||||||||||||||||||||||||||||||||||||||||||||||||||||||||||||||||||||||||||||||||||||||||||||||||||||||||||||||||||||||||||||||||||||||||||||||||||||||||||||||||||||||||||||||||||||||||||||||||||||||||||||||||||||||||||||||||||||||||||||||||||||||||||||||||||||||||||||||
| 88 | электронный модуль 110В, 3 Фазы | Т00ЕСА25 | 1 | 1 | 1 | 1 | 1 | 1 | ||||||||||||||||||||||||||||||||||||||||||||||||||||||||||||||||||||||||||||||||||||||||||||||||||||||||||||||||||||||||||||||||||||||||||||||||||||||||||||||||||||||||||||||||||||||||||||||||||||||||||||||||||||||||||||||||||||||||||||||||||||||||||||||||||||||||||||||||||||||||||||||||||||
| 101 | всасывающий Фильтр в комплекте | T00S1251038-A | 1 | 1 | 1 | 1 | 1 | 1 | ||||||||||||||||||||||||||||||||||||||||||||||||||||||||||||||||||||||||||||||||||||||||||||||||||||||||||||||||||||||||||||||||||||||||||||||||||||||||||||||||||||||||||||||||||||||||||||||||||||||||||||||||||||||||||||||||||||||||||||||||||||||||||||||||||||||||||||||||||||||||||||||||||||
|
Комплекты запасных частей
|
||||||||||||||||||||||||||||||||||||||||||||||||||||||||||||||||||||||||||||||||||||||||||||||||||||||||||||||||||||||||||||||||||||||||||||||||||||||||||||||||||||||||||||||||||||||||||||||||||||||||||||||||||||||||||||||||||||||||||||||||||||||||||||||||||||||||||||||||||||||||||||||||||||||||||||
| 201 | клапанная плита в комплекте, вкл. № поз: 66-67-68 | T00SK14500 | 1 | 1 | 1 | |||||||||||||||||||||||||||||||||||||||||||||||||||||||||||||||||||||||||||||||||||||||||||||||||||||||||||||||||||||||||||||||||||||||||||||||||||||||||||||||||||||||||||||||||||||||||||||||||||||||||||||||||||||||||||||||||||||||||||||||||||||||||||||||||||||||||||||||||||||||||||||||||||||||
| 201 | клапанная плита в комплекте, вкл. № поз: 66-67-68 | T00SK14501 | 1 | |||||||||||||||||||||||||||||||||||||||||||||||||||||||||||||||||||||||||||||||||||||||||||||||||||||||||||||||||||||||||||||||||||||||||||||||||||||||||||||||||||||||||||||||||||||||||||||||||||||||||||||||||||||||||||||||||||||||||||||||||||||||||||||||||||||||||||||||||||||||||||||||||||||||||
| 201 | клапанная плита в комплекте, вкл. № поз: 66-67-68 | T00SK14504 | 1 | |||||||||||||||||||||||||||||||||||||||||||||||||||||||||||||||||||||||||||||||||||||||||||||||||||||||||||||||||||||||||||||||||||||||||||||||||||||||||||||||||||||||||||||||||||||||||||||||||||||||||||||||||||||||||||||||||||||||||||||||||||||||||||||||||||||||||||||||||||||||||||||||||||||||||
| 201 | клапанная плита в комплекте, вкл. № поз: 66-67-68 | T00SK14505 | 1 | |||||||||||||||||||||||||||||||||||||||||||||||||||||||||||||||||||||||||||||||||||||||||||||||||||||||||||||||||||||||||||||||||||||||||||||||||||||||||||||||||||||||||||||||||||||||||||||||||||||||||||||||||||||||||||||||||||||||||||||||||||||||||||||||||||||||||||||||||||||||||||||||||||||||||
| 202 | комплект прокладок, вкл. № поз: 5 18 25 58 66 68 81 83 103 117 133 148 153 154 | T00SK0300 | 1 | 1 | 1 | 1 | 1 | 1 | ||||||||||||||||||||||||||||||||||||||||||||||||||||||||||||||||||||||||||||||||||||||||||||||||||||||||||||||||||||||||||||||||||||||||||||||||||||||||||||||||||||||||||||||||||||||||||||||||||||||||||||||||||||||||||||||||||||||||||||||||||||||||||||||||||||||||||||||||||||||||||||||||||||
| 203 | запорный вентиль на всасывании в комплекте, вкл. № поз: 103-105 | T00SK100120 | 1 | 1 | 1 | 1 | ||||||||||||||||||||||||||||||||||||||||||||||||||||||||||||||||||||||||||||||||||||||||||||||||||||||||||||||||||||||||||||||||||||||||||||||||||||||||||||||||||||||||||||||||||||||||||||||||||||||||||||||||||||||||||||||||||||||||||||||||||||||||||||||||||||||||||||||||||||||||||||||||||||||
| 203 | запорный вентиль на всасывании в комплекте, вкл. № поз: 103-105 |
T00SK100130 | 1 | 1 | ||||||||||||||||||||||||||||||||||||||||||||||||||||||||||||||||||||||||||||||||||||||||||||||||||||||||||||||||||||||||||||||||||||||||||||||||||||||||||||||||||||||||||||||||||||||||||||||||||||||||||||||||||||||||||||||||||||||||||||||||||||||||||||||||||||||||||||||||||||||||||||||||||||||||
| 204 | запорный вентиль на нагнетании в комплекте, вкл. № поз: 57-58 |
T00SK100110 | 1 | 1 | 1 | 1 | ||||||||||||||||||||||||||||||||||||||||||||||||||||||||||||||||||||||||||||||||||||||||||||||||||||||||||||||||||||||||||||||||||||||||||||||||||||||||||||||||||||||||||||||||||||||||||||||||||||||||||||||||||||||||||||||||||||||||||||||||||||||||||||||||||||||||||||||||||||||||||||||||||||||
| 204 | запорный вентиль на нагнетании в комплекте, вкл. № поз: 57-58 |
T00SK100120 | 1 | 1 | ||||||||||||||||||||||||||||||||||||||||||||||||||||||||||||||||||||||||||||||||||||||||||||||||||||||||||||||||||||||||||||||||||||||||||||||||||||||||||||||||||||||||||||||||||||||||||||||||||||||||||||||||||||||||||||||||||||||||||||||||||||||||||||||||||||||||||||||||||||||||||||||||||||||||
| 205 | шатvнно-поошневая группа, вкл. No поз : 50-51-52-54-55 | T00SK130600 | 2 | 2 | ||||||||||||||||||||||||||||||||||||||||||||||||||||||||||||||||||||||||||||||||||||||||||||||||||||||||||||||||||||||||||||||||||||||||||||||||||||||||||||||||||||||||||||||||||||||||||||||||||||||||||||||||||||||||||||||||||||||||||||||||||||||||||||||||||||||||||||||||||||||||||||||||||||||||
| 205 | шатvнно-поошневая группа, вкл. No поз : 50-51-52-54-55 | T00SK130700 | 2 | 2 | ||||||||||||||||||||||||||||||||||||||||||||||||||||||||||||||||||||||||||||||||||||||||||||||||||||||||||||||||||||||||||||||||||||||||||||||||||||||||||||||||||||||||||||||||||||||||||||||||||||||||||||||||||||||||||||||||||||||||||||||||||||||||||||||||||||||||||||||||||||||||||||||||||||||||
| 205 | шатvнно-поошневая группа, вкл.: 50-51-52-54-55 | T00SK130705 | 2 | 2 | ||||||||||||||||||||||||||||||||||||||||||||||||||||||||||||||||||||||||||||||||||||||||||||||||||||||||||||||||||||||||||||||||||||||||||||||||||||||||||||||||||||||||||||||||||||||||||||||||||||||||||||||||||||||||||||||||||||||||||||||||||||||||||||||||||||||||||||||||||||||||||||||||||||||||
| 207 | комплект подшипников скольжения, вкл. № поз.: 49-63- 122 | T00SK140000 | 1 | 1 | 1 | 1 | 1 | 1 | ||||||||||||||||||||||||||||||||||||||||||||||||||||||||||||||||||||||||||||||||||||||||||||||||||||||||||||||||||||||||||||||||||||||||||||||||||||||||||||||||||||||||||||||||||||||||||||||||||||||||||||||||||||||||||||||||||||||||||||||||||||||||||||||||||||||||||||||||||||||||||||||||||||
| 208 | комплект резиновых виброопор, вкл. № поз.. 11-12-13- 14-15 |
T00SK205010 | 1 | 1 | 1 | 1 | 1 | 1 | ||||||||||||||||||||||||||||||||||||||||||||||||||||||||||||||||||||||||||||||||||||||||||||||||||||||||||||||||||||||||||||||||||||||||||||||||||||||||||||||||||||||||||||||||||||||||||||||||||||||||||||||||||||||||||||||||||||||||||||||||||||||||||||||||||||||||||||||||||||||||||||||||||||
| 211 | комплект клеммной коробки (1 ф эл/двигатель), вкл. № поз.: 83-84-85 | T00SK180400 | 1 | 1 | 1 | 1 | 1 | 1 | ||||||||||||||||||||||||||||||||||||||||||||||||||||||||||||||||||||||||||||||||||||||||||||||||||||||||||||||||||||||||||||||||||||||||||||||||||||||||||||||||||||||||||||||||||||||||||||||||||||||||||||||||||||||||||||||||||||||||||||||||||||||||||||||||||||||||||||||||||||||||||||||||||||
| 211 | комплект клеммной коробки (3 ф эл/двигатель}, вкл. № поз.: 81-82-83-84-85; *для компрессоров, изготовленных после сентябоя 2000 |
T00SK180300* | 1 | 1 | 1 | 1 | 1 | 1 | ||||||||||||||||||||||||||||||||||||||||||||||||||||||||||||||||||||||||||||||||||||||||||||||||||||||||||||||||||||||||||||||||||||||||||||||||||||||||||||||||||||||||||||||||||||||||||||||||||||||||||||||||||||||||||||||||||||||||||||||||||||||||||||||||||||||||||||||||||||||||||||||||||||
| 212 | смотровое стекло в комплекте, вкл. № поз.. 3-4-5 | T00SK170100 | 1 | 1 | 1 | 1 | 1 | 1 | ||||||||||||||||||||||||||||||||||||||||||||||||||||||||||||||||||||||||||||||||||||||||||||||||||||||||||||||||||||||||||||||||||||||||||||||||||||||||||||||||||||||||||||||||||||||||||||||||||||||||||||||||||||||||||||||||||||||||||||||||||||||||||||||||||||||||||||||||||||||||||||||||||||
| 213 | электродвигатель в сборе | |||||||||||||||||||||||||||||||||||||||||||||||||||||||||||||||||||||||||||||||||||||||||||||||||||||||||||||||||||||||||||||||||||||||||||||||||||||||||||||||||||||||||||||||||||||||||||||||||||||||||||||||||||||||||||||||||||||||||||||||||||||||||||||||||||||||||||||||||||||||||||||||||||||||||||
| 230-400/3/50 DOL | T00SK230312 | 1 | ||||||||||||||||||||||||||||||||||||||||||||||||||||||||||||||||||||||||||||||||||||||||||||||||||||||||||||||||||||||||||||||||||||||||||||||||||||||||||||||||||||||||||||||||||||||||||||||||||||||||||||||||||||||||||||||||||||||||||||||||||||||||||||||||||||||||||||||||||||||||||||||||||||||||||
| 213 | электродвигатель в сборе 1,1 кВт (1,5 л.с.) | |||||||||||||||||||||||||||||||||||||||||||||||||||||||||||||||||||||||||||||||||||||||||||||||||||||||||||||||||||||||||||||||||||||||||||||||||||||||||||||||||||||||||||||||||||||||||||||||||||||||||||||||||||||||||||||||||||||||||||||||||||||||||||||||||||||||||||||||||||||||||||||||||||||||||||
| 230-400/3/50 DOL | T00SK230331 | 1 | ||||||||||||||||||||||||||||||||||||||||||||||||||||||||||||||||||||||||||||||||||||||||||||||||||||||||||||||||||||||||||||||||||||||||||||||||||||||||||||||||||||||||||||||||||||||||||||||||||||||||||||||||||||||||||||||||||||||||||||||||||||||||||||||||||||||||||||||||||||||||||||||||||||||||||
| 213 | электродвигатель в сборе 1,1 кВт (1,5 л.с.) | |||||||||||||||||||||||||||||||||||||||||||||||||||||||||||||||||||||||||||||||||||||||||||||||||||||||||||||||||||||||||||||||||||||||||||||||||||||||||||||||||||||||||||||||||||||||||||||||||||||||||||||||||||||||||||||||||||||||||||||||||||||||||||||||||||||||||||||||||||||||||||||||||||||||||||
| 230-400/3/50 DOL | T00SK230351 | 1 | ||||||||||||||||||||||||||||||||||||||||||||||||||||||||||||||||||||||||||||||||||||||||||||||||||||||||||||||||||||||||||||||||||||||||||||||||||||||||||||||||||||||||||||||||||||||||||||||||||||||||||||||||||||||||||||||||||||||||||||||||||||||||||||||||||||||||||||||||||||||||||||||||||||||||||
| 213 | электродвигатель в сборе 1,5 кВт (2 л.с.) | |||||||||||||||||||||||||||||||||||||||||||||||||||||||||||||||||||||||||||||||||||||||||||||||||||||||||||||||||||||||||||||||||||||||||||||||||||||||||||||||||||||||||||||||||||||||||||||||||||||||||||||||||||||||||||||||||||||||||||||||||||||||||||||||||||||||||||||||||||||||||||||||||||||||||||
| 230-400/3/50 DOL | T00SK230411 | 1 | 1 | |||||||||||||||||||||||||||||||||||||||||||||||||||||||||||||||||||||||||||||||||||||||||||||||||||||||||||||||||||||||||||||||||||||||||||||||||||||||||||||||||||||||||||||||||||||||||||||||||||||||||||||||||||||||||||||||||||||||||||||||||||||||||||||||||||||||||||||||||||||||||||||||||||||||||
| 213 | электродвигатель в сборе | |||||||||||||||||||||||||||||||||||||||||||||||||||||||||||||||||||||||||||||||||||||||||||||||||||||||||||||||||||||||||||||||||||||||||||||||||||||||||||||||||||||||||||||||||||||||||||||||||||||||||||||||||||||||||||||||||||||||||||||||||||||||||||||||||||||||||||||||||||||||||||||||||||||||||||
| 230-400/3/50 DOL | T00SK230510 | 1 | ||||||||||||||||||||||||||||||||||||||||||||||||||||||||||||||||||||||||||||||||||||||||||||||||||||||||||||||||||||||||||||||||||||||||||||||||||||||||||||||||||||||||||||||||||||||||||||||||||||||||||||||||||||||||||||||||||||||||||||||||||||||||||||||||||||||||||||||||||||||||||||||||||||||||||
| 214 | клеммник в комплекте (1 ф эл/двигатель}, вкл. № поз.: 148-149 |
T00SK260400 | 1 | 1 | 1 | 1 | 1 | 1 | ||||||||||||||||||||||||||||||||||||||||||||||||||||||||||||||||||||||||||||||||||||||||||||||||||||||||||||||||||||||||||||||||||||||||||||||||||||||||||||||||||||||||||||||||||||||||||||||||||||||||||||||||||||||||||||||||||||||||||||||||||||||||||||||||||||||||||||||||||||||||||||||||||||
Аналоги компрессоров
| ||||||||||||||||||||||||||||||||||||||||||||||||||||||||||||||||||||||||||||||||||||||||||||||||||||||||||||||||||||||||||||||||||||||||||||||||||||||||||||||||||||||||||||||||||||||||||||||||||||||||||||||||||||||||||||||||||||||||||||||||||||||||||||||||||||||||||||||||||||||||||||||||||||||||||||






