Полезные статьи
-
Cерия чиллеров моделей «V-NRG” Холодопроизводительность от 200 до 730 кВт
-
Вентиляторы обдува компрессоров.
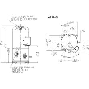
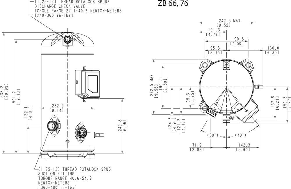
Компрессор ZB 76 K5E-TFD-567 (COPELAND)
Характеристики товара
Артикул:
92887
Остаток на складе:
0
Наличие:
под заказ
241 142
руб.
Среднетемпературный спиральный холодильный компрессор Copeland ZB-76-KCE-TFD-551, холодопроизводительность 17,85 кВт (EN 12900, -10/+45, R404a), является проверенным и оптимальным решением для различного промышленного холодильного оборудования, оборудования продовольственных магазинов, холодильных машин, камер, агрегатов, установок охлаждения молока, производства мороженого и других технологических процессов пищевых предприятий. Описание: патрубки: резьба, см.стекло: да, тандемизация: да, опоры: 4, газ: R407C, R134a, R22, R404A. Стандартная поставка: монтажные опоры, заправка маслом, внешняя защита.
Компрессоры Copeland Scroll™ серии ZB - второе поколение среднетемпературных спиральных компрессоров, оптимизированных под работу при низких температурах конденсации хладагента, что позволяет обеспечить лучшие показатели энергоэффективности и энергопотребления на протяжении всего года. Спиральные компрессоры имеют втрое меньше движущихся деталей по сравнению с поршневыми, а также механизм согласования спиралей (для надежной работы в условиях заполнения хладагентом). Из-за своей малой массы и компактности, спиральные компрессоры серии ZB оптимально подходят для использования в промышленных холодильных агрегатах и установках, системах охлаждения.
Характеристика
Производитель Emerson
Марка компрессора Copeland Scroll
Модель ZB
Тип компрессора Спиральный
Назначение компрессора Среднетемпературный
Холодильный коэффициент (EN 12900) 2,13
Регулирование производительности Нет
Электропитание компрессора 3 фазы/380 В/50 Гц
Диапазон холодопроизводительности (EN 12900), кВт 15-20
Холодопроизводительность (EN 12900), кВт 15,1
Высота, мм 546
Длина, мм 264
Ширина, мм 284
Масса нетто, кг 59,9
Количество масла, л 3,2
Уровень шума, dBA 77
Патрубок на всасывании, дюйм 1 3/4
Патрубок на нагнетании, дюйм 1 1/4


