Полезные статьи
-
Cерия чиллеров моделей «V-NRG” Холодопроизводительность от 200 до 730 кВт
-
Вентиляторы обдува компрессоров.
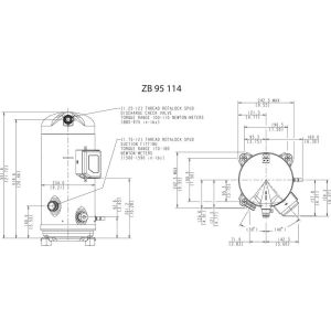
Компрессор ZB 95 KCE-TFD-551(COPELAND)
Характеристики товара
Артикул:
83338
Остаток на складе:
0
Наличие:
под заказ
83 312
руб.
Спиральный холодильный компрессор Copeland Scroll ZB-95-KCE-TFD-551 - мощный компрессор используемый в среднетемпературных холодильных машинах. Характеристики компрессора позволяют использовать его как в однокомпрессорных агрегатах, так и в составе холодильных централей в коммерческом и промышленном холоде. Описание компрессора в исполнении 551: резьбовые патрубки под вентиль Rotalock на всасывание и нагнетание, смотровое стекло, патрубок для тандемизации, четыре монтажные опоры. Компрессор заправлен маслом POE и сконструирован для работы с фреонами R407C, R134a, R404A.
Компрессоры Copeland Scroll серии ZB - второе поколение среднетемпературных спиральных компрессоров, оптимизированных под работу при низких температурах конденсации хладагента, что позволяет обеспечить лучшие показатели энергоэффективности и энергопотребления на протяжении всего года (по данным официального сайта Copeland). Спиральные компрессоры в отличие от поршневых компрессоров практически не чувствительны к попаданию жидкого хладагента в полость сжатия. Из-за своей малой массы и компактности, а также соотношения цены и производительности спиральный компрессор ZB95KCE оптимально подходит для использования в промышленных холодильных агрегатах и установках, системах охлаждения.
Характеристика
Производитель Emerson
Марка компрессора Copeland Scroll
Модель ZB
Тип компрессора Спиральный
Назначение компрессора Среднетемпературный
Холодильный коэффициент (EN 12900) 2,07
Регулирование производительности Нет
Электропитание компрессора 3 фазы/380 В/50 Гц
Диапазон холодопроизводительности (EN 12900), кВт 20-25
Холодопроизводительность (EN 12900), кВт 21,7
Высота, мм 564
Длина, мм 264
Ширина, мм 285
Масса нетто, кг 64,9
Количество масла, л 3,25
Уровень шума, dBA 78
Патрубок на всасывании, дюйм 1 3/4
Патрубок на нагнетании, дюйм 1 1/4


