Полезные статьи
-
Cерия чиллеров моделей «V-NRG” Холодопроизводительность от 200 до 730 кВт
-
Вентиляторы обдува компрессоров.
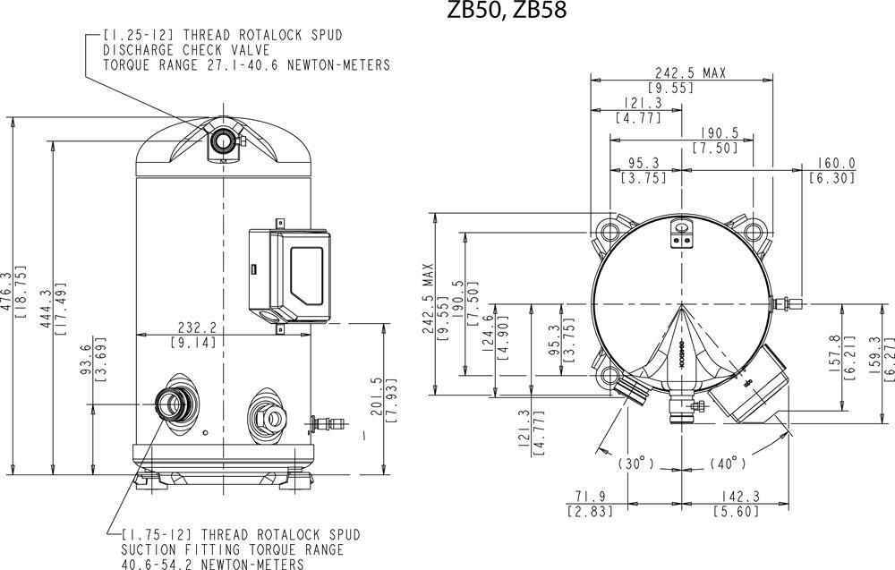
Компрессор ZB 50 KСE-TFD-551 (COPELAND)
Характеристики товара
Артикул:
83339
Остаток на складе:
0
Наличие:
под заказ
198 974
руб.
Спиральный холодильный компрессор Copeland Scroll ZB-50-KCE-TFD-551 для среднетемпературных холодильных установок. Характеристики компрессора позволяют использовать его в составе различного промышленного холодильного оборудования, оборудования продовольственных магазинов, холодильных машин, камер, агрегатов, установок охлаждения молока. Описание компрессора в исполнении 551: резьбовые патрубки под Rotalock, смотровое стекло, патрубок для тандемизации (может не использоваться), четыре монтажные опоры. Компрессор заправлен синтетическим полиэфирным маслом и предназначен для работы с фреонами R407C, R134a, R404A.
Компрессоры Copeland Scroll серии ZB - второе поколение среднетемпературных спиральных компрессоров, оптимизированных под работу при низких температурах конденсации хладагента, что позволяет обеспечить лучшие показатели энергоэффективности и энергопотребления на протяжении всего года (по данным официального сайта Copeland). Спиральные компрессоры имеют втрое меньше движущихся деталей по сравнению с поршневыми, а также механизм согласования спиралей (для надежной работы в условиях заполнения хладагентом). Из-за своей малой массы и компактности, а также соотношения цены и производительности спиральные компрессоры серии ZB оптимально подходят для использования в промышленных холодильных агрегатах и установках, системах охлаждения.
Характеристика
Производитель Emerson
Марка компрессора Copeland Scroll
Модель ZB
Тип компрессора Спиральный
Назначение компрессора Среднетемпературный
Холодильный коэффициент (EN 12900) 2,08
Регулирование производительности Нет
Электропитание компрессора 3 фазы/380 В/50 Гц
Диапазон холодопроизводительности (EN 12900), кВт 10-15
Холодопроизводительность (EN 12900), кВт 11,90
Высота, мм 480
Длина, мм 264
Ширина, мм 284
Масса нетто, кг 59,0
Количество масла, л 2,65
Уровень шума, dBA 75
Патрубок на всасывании, дюйм 1 1/8
Патрубок на нагнетании, дюйм 7/8


