Полезные статьи
-
Cерия чиллеров моделей «V-NRG” Холодопроизводительность от 200 до 730 кВт
-
Вентиляторы обдува компрессоров.
Компрессор ZF 41 K5E-TFD-567- EVI (COPELAND)
Характеристики товара
Артикул:
90361
Остаток на складе:
0
Наличие:
под заказ
243 470
руб.
ZF*K5 Summit Copeland Scroll™ - низкотемпературные спиральные компрессоры. Особенностью этого модельного ряда спиральных компрессоров являются эффективность, компактность и малошумность. Четыре компрессора ZF25K5E, ZF34K5E, ZF41K5E и ZF49K5E охватывают расширенный диапазон холодопроизводительности от 4 до 9 кВт при впрыске жидкости и от 6 до 14 кВт при впрыске пара хладагентов. Следствием модернизации конструкции стал рост эффективности на 10% по сравнению с предыдущим модельным рядом. Все модели поддерживают два вида впрыска: впрыск жидкости и впрыск пара. Впрыск пара позволяет повысить эффективность и холодопроизводительность системы на 25% и 40%, соответственно. Уровень шума в моделях Copeland Scroll Summit также значительно ниже по сравнению с предыдущими моделями. Там, где уровень шума критичен, компрессоры могут дополнительно оснащаться шумозащитным кожухом, который позволяет понизить уровень шума еще на 10-12 дБА. Разборная конструкция кожуха позволяет его монтаж не только в заводских условиях, но и на ранее смонтированных объектах, что дает возможность решить вопросы и конфликтные ситуации, связанные с возросшей требовательностью жильцов и ужесточением нормативных требований. По сравнению со своими предшественниками модели Summit значительно более компактны и меньше весят. Этим обеспечивается удобство при производстве и монтаже. Описанные выше преимущества и конструктивные особенности компрессоров ZF Summit делают их идеальным низкотемпературным решением для магазинов, расположенных в плотной городской застройке, для малых и средних супермаркетов, а также для ОЕМ-производителей компрессорных агрегатов и компрессорных станций.
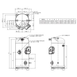
Низкотемпературный спиральный компрессор Copeland ZF-41-K5E-TFD-567, холодопроизводительность 8,4 кВт (EN 12900, -35/+40, R404a), был специально разработан для обеспечения наилучших рабочих характеристик в низкотемпературных применениях коммерческого холодильного рынка. Компрессоры серии ZF имеют широкий рабочий диапазон и могут работать при температуре кипения от -40°C до 7°C. Их конструкция была оптимизирована для требований заморозки пищевых продуктов благодаря впрыску жидкости (вентиль DTC). Вентиль управления температурой нагнетания (DTC) является оптимальным для впрыска жидкости и повышения эффективности. Вентиль DTC впрыскивает жидкость только при необходимости и поставляется заводом для моделей от 3 до 13 л.с. Описание: патрубки: резьба, см.стекло: да, тандемизация: да, опоры: 4, газ: R404A. Стандартная поставка: монтажные опоры, заправка маслом и газами, защита двигателя (внутрренняя), клеммная коробка IP54.
Характеристика
Производитель Emerson
Марка компрессора Copeland Scroll
Модель ZF
Тип компрессора Спиральный
Назначение компрессора Низкотемпературный
Холодильный коэффициент (EN 12900) 1,3
Регулирование производительности Нет
Электропитание компрессора 3 фазы/380 В/50 Гц
Диапазон холодопроизводительности (EN 12900), кВт 5-10
Холодопроизводительность (EN 12900), кВт 8,4
Высота, мм 534
Длина, мм 363
Ширина, мм 312
Масса нетто, кг 63,1
Количество масла, л 3,4
Уровень шума, dBA 68
Патрубок на всасывании, дюйм 1-3/4
Патрубок на нагнетании, дюйм 1-1/4


