Полезные статьи
-
Cерия чиллеров моделей «V-NRG” Холодопроизводительность от 200 до 730 кВт
-
Вентиляторы обдува компрессоров.
Компрессор H 251 СC (Dorin)
Характеристики товара
Артикул:
92138
Остаток на складе:
1
Серия:
H
Производитель:
Dorin
Масса, кг:
43
Наличие:
в наличии
121 752
руб.
Полугерметичный компрессор Dorin H1 H251CC отвечает современным стандартам и требованиям к продукции — пониженный уровень шума, экономичен, надежен, эффективен. В холодильной промышленности данный компрессор используют для создания холодильных централей разного масштаба: от небольших холодильных камер до комплексного оборудования для крупных магазинных сетей.
Характеристика
Производитель Dorin
Модель H1
Тип компрессора Полугерметичный поршневой
Назначение компрессора Высокотемпературный (кондиционирование)
Регулирование производительности Нет
Электропитание компрессора 3 фазы/380 В/50 Гц
Диапазон холодопроизводительности (EN 12900), кВт 1-5
Холодопроизводительность (EN 12900), кВт 3
Высота, мм 295
Длина, мм 325
Ширина, мм 230
Масса нетто, кг 41
Количество масла, л 1
Хладагент R-407С, R-404а, R-507, R134a, R22, R407F
Присоединение линии всасывания 18 мм
Присоединение линии нагнетания 16 мм
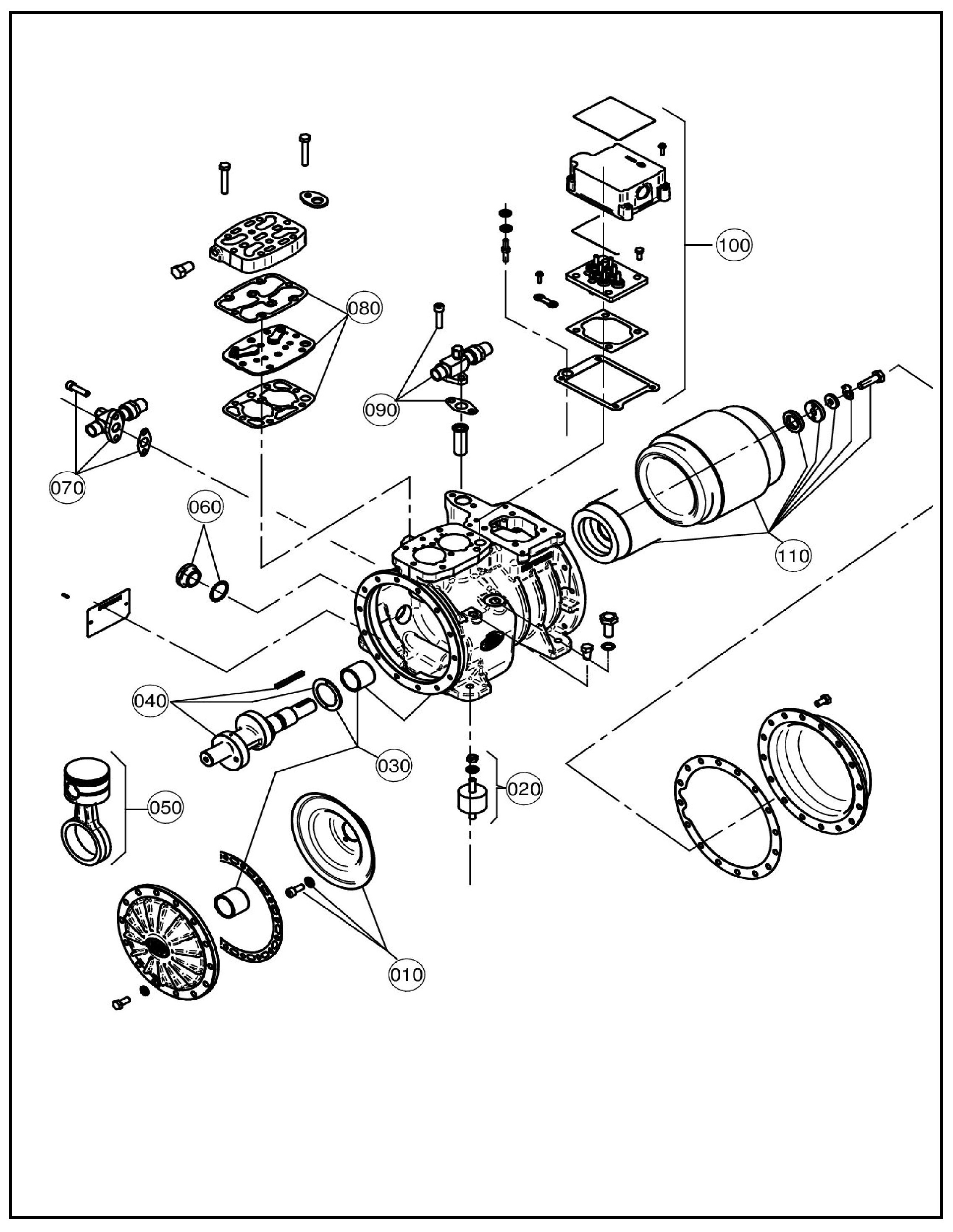
Расположение и соединения:
A - Смотр. стекло по маслу
B - Заглушка (заправка маслом)
C - Заглушка (всасывание)
D - Заглушка (нагнетание)
E - Заглушка (слив масла)
F - ТЭН подогрева масла
G - Заглушка (возвр. масла)
DL - Вентиль (нагнетание)
SL - Вентиль (всасывание)
Материалы для скачивания:
Каталог дорин 2018
Инструкция по эксплуатации
Деталлировка компрессора Dorin:
Запасные части для компрессоров Dorin серии H11
№ | Описание | Код | Модель | ||||||||||||||||||||||||||||||||||||||||||||||||||||||||||||||||||||||||||||||||||||||||||||||||||||||||||||||||||||||||||||||||||||||||||||||||||||||||||||||||||||||||||||||||||||||||||||||||||||||||||||||||||||||||||||||||||||||||||||||||||||||||||||||||||||||||||||||||||||||||||||||||||||||||||||||
H 51 CS |
H 80 CC |
H 80 CS |
H 101 CC |
H 101 CS |
H 151 CC |
H 151 CS |
H 181 CC |
H 181 CS |
H 201 CC |
H 201 CS |
H 221 CC |
H 221 CS |
H 251 CC |
H 251 CS |
H 281 CC |
H 281 SB |
H 281 CS |
||||||||||||||||||||||||||||||||||||||||||||||||||||||||||||||||||||||||||||||||||||||||||||||||||||||||||||||||||||||||||||||||||||||||||||||||||||||||||||||||||||||||||||||||||||||||||||||||||||||||||||||||||||||||||||||||||||||||||||||||||||||||||||||||||||||||||||||||||||||||||||||||
010 | Диск отражателя масла | 1MKD022 | 1 | 1 | - | - | - | - | - | - | - | - | - | - | - | - | - | - | - | - | |||||||||||||||||||||||||||||||||||||||||||||||||||||||||||||||||||||||||||||||||||||||||||||||||||||||||||||||||||||||||||||||||||||||||||||||||||||||||||||||||||||||||||||||||||||||||||||||||||||||||||||||||||||||||||||||||||||||||||||||||||||||||||||||||||||||||||||||||||||||||||||
010 | Диск отражателя масла | 1MKD023 | - | - | 1 | 1 | 1 | 1 | 1 | 1 | 1 | 1 | 1 | 1 | 1 | 1 | 1 | 1 | 1 | 1 | |||||||||||||||||||||||||||||||||||||||||||||||||||||||||||||||||||||||||||||||||||||||||||||||||||||||||||||||||||||||||||||||||||||||||||||||||||||||||||||||||||||||||||||||||||||||||||||||||||||||||||||||||||||||||||||||||||||||||||||||||||||||||||||||||||||||||||||||||||||||||||||
020 | Виброопоры 4 шт | 1CC5024 | 1 | 1 | 1 | 1 | 1 | 1 | 1 | 1 | 1 | 1 | 1 | 1 | 1 | 1 | 1 | 1 | 1 | 1 | |||||||||||||||||||||||||||||||||||||||||||||||||||||||||||||||||||||||||||||||||||||||||||||||||||||||||||||||||||||||||||||||||||||||||||||||||||||||||||||||||||||||||||||||||||||||||||||||||||||||||||||||||||||||||||||||||||||||||||||||||||||||||||||||||||||||||||||||||||||||||||||
030 | Втулки полный набор | 1CKJ012 | 1 | 1 | 1 | 1 | 1 | 1 | 1 | 1 | 1 | 1 | 1 | 1 | 1 | 1 | 1 | 1 | 1 | 1 | |||||||||||||||||||||||||||||||||||||||||||||||||||||||||||||||||||||||||||||||||||||||||||||||||||||||||||||||||||||||||||||||||||||||||||||||||||||||||||||||||||||||||||||||||||||||||||||||||||||||||||||||||||||||||||||||||||||||||||||||||||||||||||||||||||||||||||||||||||||||||||||
040 | Колен.вал c.28 | 1MKA300 | 1 | 1 | - | - | - | - | - | - | - | - | - | - | - | - | - | - | - | - | |||||||||||||||||||||||||||||||||||||||||||||||||||||||||||||||||||||||||||||||||||||||||||||||||||||||||||||||||||||||||||||||||||||||||||||||||||||||||||||||||||||||||||||||||||||||||||||||||||||||||||||||||||||||||||||||||||||||||||||||||||||||||||||||||||||||||||||||||||||||||||||
040 | Колен.вал c.34 | 1MKA301 | - | - | 1 | 1 | 1 | 1 | - | - | - | - | - | - | - | - | - | - | - | - | |||||||||||||||||||||||||||||||||||||||||||||||||||||||||||||||||||||||||||||||||||||||||||||||||||||||||||||||||||||||||||||||||||||||||||||||||||||||||||||||||||||||||||||||||||||||||||||||||||||||||||||||||||||||||||||||||||||||||||||||||||||||||||||||||||||||||||||||||||||||||||||
040 | Колен.вал c.38 | 1MKA302 | - | - | - | - | - | - | 1 | 1 | 1 | 1 | - | - | - | - | - | - | - | - | |||||||||||||||||||||||||||||||||||||||||||||||||||||||||||||||||||||||||||||||||||||||||||||||||||||||||||||||||||||||||||||||||||||||||||||||||||||||||||||||||||||||||||||||||||||||||||||||||||||||||||||||||||||||||||||||||||||||||||||||||||||||||||||||||||||||||||||||||||||||||||||
040 | Колен.вал c.41 | 1MKA303 | - | - | - | - | - | - | - | - | - | - | 1 | 1 | - | - | - | - | - | - | |||||||||||||||||||||||||||||||||||||||||||||||||||||||||||||||||||||||||||||||||||||||||||||||||||||||||||||||||||||||||||||||||||||||||||||||||||||||||||||||||||||||||||||||||||||||||||||||||||||||||||||||||||||||||||||||||||||||||||||||||||||||||||||||||||||||||||||||||||||||||||||
040 | Колен.вал c.44 | 1MKA304 | - | - | - | - | - | - | - | - | - | - | - | - | 1 | 1 | 1 | 1 | - | - | |||||||||||||||||||||||||||||||||||||||||||||||||||||||||||||||||||||||||||||||||||||||||||||||||||||||||||||||||||||||||||||||||||||||||||||||||||||||||||||||||||||||||||||||||||||||||||||||||||||||||||||||||||||||||||||||||||||||||||||||||||||||||||||||||||||||||||||||||||||||||||||
040 | Колен.вал c.50 | 1MKA305 | Аналоги компрессоров
|