Полезные статьи
-
Cерия чиллеров моделей «V-NRG” Холодопроизводительность от 200 до 730 кВт
-
Вентиляторы обдува компрессоров.
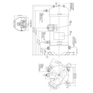
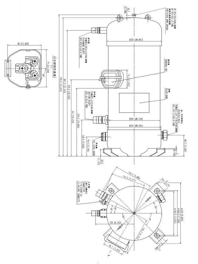
Компрессор спиральный Panasonic C-SCN603H8Т
Характеристики товара
Артикул:
14820
Остаток на складе:
0
Наличие:
под заказ
81 871
руб.
Компрессор среднетемпературный спиральный Panasonic C-SCN603H8T. Холодопроизводительность 24500 Вт (при T0 = 7,2°C, Tконд = 54,4°C). Рабочий хладагент - R407C. Напряжение питания - 380 В / 50 Гц / 3ф.
Характеристика
Производитель Panasonic
Марка компрессора Panasonic
Модель C-SC
Тип компрессора Спиральный
Назначение компрессора Высокотемпературный (кондиционирование)
Регулирование производительности Нет
Электропитание компрессора 3 фазы/380 В/50 Гц
Диапазон холодопроизводительности (EN 12900), кВт 20-25
Холодопроизводительность (EN 12900), кВт 24,5
Объем цилиндра, см3 137
Масса нетто, кг 66,5
Количество масла, л 2,8 (FV68S)
Уровень шума, dBA 65
Патрубок на всасывании 1" пайка
Патрубок на нагнетании 3/4" пайка


