Полезные статьи
-
Cерия чиллеров моделей «V-NRG” Холодопроизводительность от 200 до 730 кВт
-
Вентиляторы обдува компрессоров.
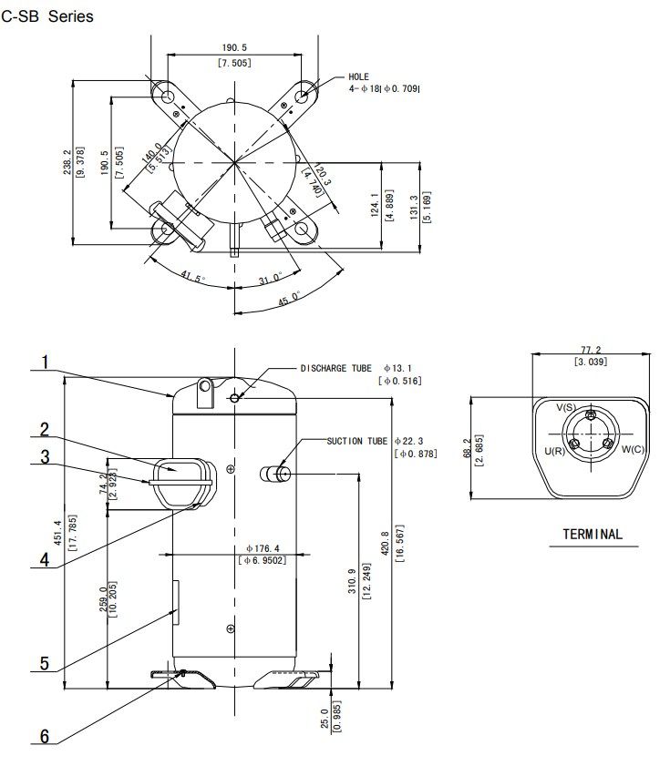
Компрессор спиральный Panasonic C-SBN303H8A
Характеристики товара
Артикул:
14817
Остаток на складе:
0
Наличие:
под заказ
38 192
руб.
Компрессор среднетемпературный спиральный Panasonic C-SBN303H8A. Холодопроизводительность 11600 Вт (при T0 = 7,2°C, Tконд = 54,4°C). Рабочий хладагент - R407C. Напряжение питания - 380 В / 50 Гц / 3ф.
Характеристика
Производитель Panasonic
Марка компрессора Panasonic
Модель C-SB
Тип компрессора Спиральный
Назначение компрессора Высокотемпературный (кондиционирование)
Регулирование производительности Нет
Электропитание компрессора 3 фазы/380 В/50 Гц
Диапазон холодопроизводительности (EN 12900), кВт 10-15
Холодопроизводительность (EN 12900), кВт 11,6
Объем цилиндра, см3 66,8
Масса нетто, кг 38
Количество масла, л 1,7 (FV68S)
Уровень шума, dBA 65
Патрубок на всасывании 7/8" пайка
Патрубок на нагнетании 1/2" пайка


