Полезные статьи
-
Cерия чиллеров моделей «V-NRG” Холодопроизводительность от 200 до 730 кВт
-
Вентиляторы обдува компрессоров.
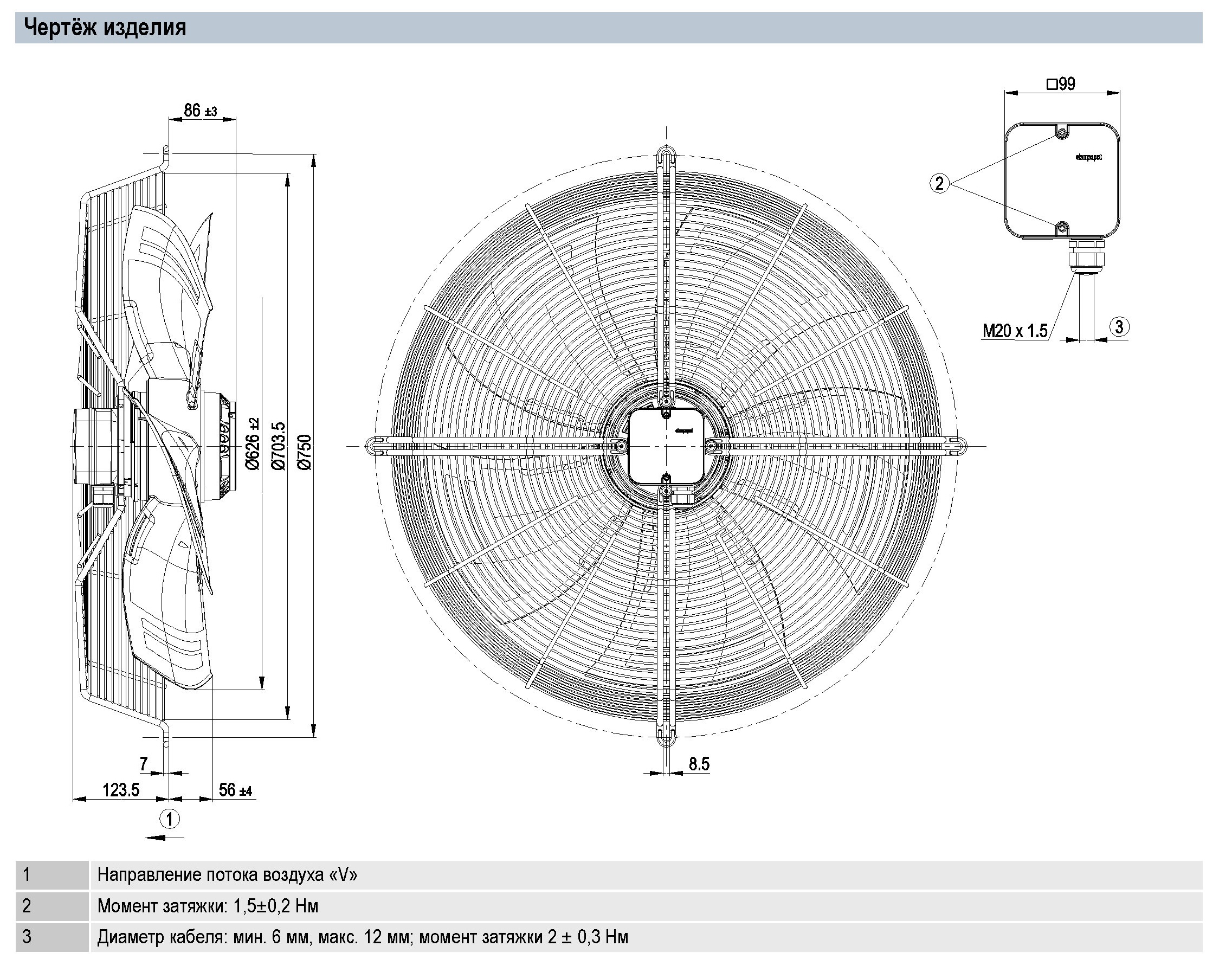
Вентилятор S8D630-AN-01-01 EBM Papst
Характеристики товара
Артикул:
84014
Остаток на складе:
0
Наличие:
под заказ
46 924
руб.


