Холодильное оборудование и комплектующие

Корзина
пуста
slider0

Полезные статьи

Читать все статьи

Компрессор винтовой CXW52-125-468Y

Характеристики товара

Артикул:
94290
Остаток на складе:
0
Наличие:
под заказ
4 426 031 руб. 2 434 317 руб.
+

Компактные винтовые компрессоры серии CX Вода представляют собой полугерметичные винтовые компрессоры, предназначенные для низкой степени сжатия и совместимые со всеми основными газообразными хладагентами. Благодаря своей высокой гибкости, они идеально подходят для различных применений.

Эта серия, состоящая из 29 моделей, соответствует самым высоким стандартам эффективности и надежности.

Хладагенты: УВ, ГХФУ, ГФУ, ГФO, Смесь ГФO
Объемная производительность: 199 - 1085 м³/ч
Номинальная мощность двигателя: 37,3 - 231,2 кВт
 

Модельный ряд CXW.

 

Модель Объемный расход, м3/ч Производительность. Макс. рабочий ток PWS, А Всысывание, мм Нагнетание, мм Вес, кг
CXW02-50-199Y 199 75% - 50 % - 25% 85 54 80 490
CXW02-60-230Y 230 75% - 50 % - 25% 101 54 80 505
CXW02-70-264Y 264 75% - 50 % - 25% 125 54 80 500
CXW02-80-298Y 298 75% - 50 % - 25% 145 54 80 515
CXW02-90-340Y 340 75% - 50 % - 25% 160 54 80 525
CXW02-100-370Y 370 75% - 50 % - 25% 175 54 80 540
CXW52-110-428Y 428 75% - 50 % - 25% 184 DN80 105 840
CXW52-125-468Y 468 75% - 50 % - 25% 219 DN80 105 875
CXW52-140-538Y 538 75% - 50 % - 25% 235 DN80 105 878
CXW92-160-620Y 620 75% - 50 % - 25% 283 DN80 105 1475
CXW92-180-702Y 702 75% - 50 % - 25% 315 DN80 105 1475
CXW92-210-810Y 810 75% - 50 % - 25% 356 105 DN125 1475
CXW92-240-912Y 912 75% - 50 % - 25% 427 105 DN125 1475
CXW92-280-1000Y 1000 75% - 50 % - 25% 427 105 DN125 1490
CXW92-310-1085Y 1085 75% - 50 % - 25% 455 105 DN125 1490
Технические данные - CXW52-125-468Y
 

Номин. мощн-ть двигателя HP 125
Номин. мощн-ть двигателя kW 93,2
Объемная произв-ть @ (2900 rpm - 50 Hz) m³/h 468
Объемная произв-ть @ (3480 rpm - 60 Hz) m³/h 561,6
Электропитание V/ph/Hz/Connection 400/3/50/PWS
MRA A 219
LRA A 530
LRA DOL A 838
макс частота эл. сети Hz 70
мин частота эл. сети Hz 30
Вес нетто kg 875
Холодильное масло FRASCOLD POE170
Заправка маслом l 19
Максимальное рабочее давление HP bar 30
Максимальное статическое давление BP bar 20,5
Ступень произв-ти % 100-75-50-25

 

Стандартные аксессуары - CXW52-125-468Y

Электронный защитный модуль INT69FRY T00EC45B
Встроенный трехступенчатый маслоотделитель
Заменяемый масляный фильтр
Нагреватель масла T00CH37
Индикатор(ы) уровня масла
Впускной фланец с втулкой под сварку
Сливной кран с соединением под сварку
Обратный клапан и внутренний вентиляционный клапан
Ступенчатый контроль емкости и запуск без нагрузки
Распределительная коробка IP65
Датчик температуры масла PTS T00EC53
Кран для слива масла
Защитный заряд азота
Защитная упаковка, соответствующая транспортному средству
 
Дополнительные аксессуары - CXW52-125-468Y

Электронный защитный и диагностический модуль INT69FRYL T00EC45AD
Кран подачи с соединением под сварку
Осевое всасывание
Бесступенчатый контроль емкости
Двигатель для работы с особым напряжением
Электронное реле уровня T00WP253
Электронный датчик засорения масляного фильтра T00WK151
Электронный модуль аварийной сигнализации T00EC28
Соединительный комплект экономайзера или впрыск жидкости
Комплект адаптера для наружного маслоохладителя T00WK1450
Шток запуска DOL
Антивибрационные опоры (4 штуки)
Специальная краска
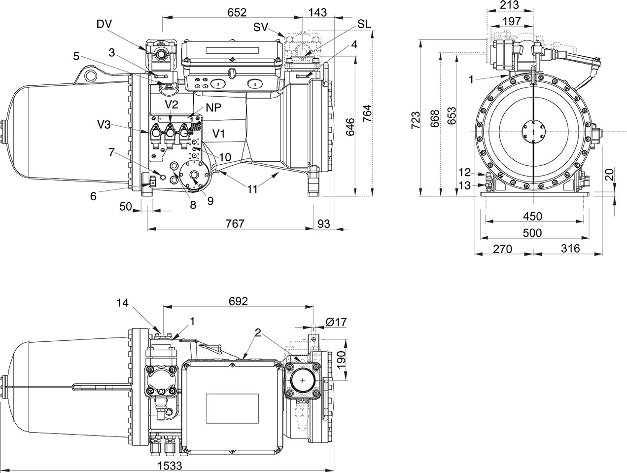
Расположение и соединения:

 

SV: Всасывающий вентиль mm 105
SV: Всасывающий вентиль inch 4 1/8"
DV: Нагнетательный вентиль mm 80
DV: Нагнетательный вентиль inch DN80
SL: Подключение всасывающей линии 4 1/8"
V1: Клапан регулировки производительности -
V2: Клапан регулировки производительности -
V3: Клапан регулировки производительности -
1: Разъем для высокого давления 1/8" NPT
2: Разъем для низкого давления 1/8" NPT
3: Разъем для высокого давления 1/4" SAE x 1/4" SAE
4: Разъем для низкого давления 1/4" SAE x 1/4" SAE
5: Заглушка (заправка масла) 3/8" GAS
6: ТЭН подогрева картера -
7: Разъем для регулятора уровня масла 3/4" NPT
8: Смотровое стекло уровня масла -
9: Подключение датчика засорения фильтра 1/2" GAS
10: Разъем для маслоохладителя 1/2" NPT
11: Заглушка для слива масла 1/4" NPT
12: Клапан слива масла 1/8" NPT
13: Датчик максимальной температуры масла -
14: Разъем ECO / впрыск жидкости 1 1/8"
NP: Заводская этикетка на компрессоре -

 

Оставить отзывы

Общая оценка

Имя
Имя или наименование вашей организации
Отзывы
Текст Отзывы в свободной форме

Похожие товары

Компрессор винтовой CXH51-125-468Y Компрессор винтовой CXH51-125-468Y
под заказ
4 413 6092 427 485 Р
 – 45 %
Компрессор винтовой CX51-125-468-EVO Компрессор винтовой CX51-125-468-EVO
под заказ
4 455 9042 450 747 Р
 – 45 %
Компрессор винтовой CX51-110-398-EVO Компрессор винтовой CX51-110-398-EVO
под заказ
4 332 8952 383 092 Р
 – 45 %
Компрессор винтовой CXW51-125-538AX Компрессор винтовой CXW51-125-538AX
под заказ
4 542 8202 498 551 Р
 – 45 %
0.22 с