Полезные статьи
-
Cерия чиллеров моделей «V-NRG” Холодопроизводительность от 200 до 730 кВт
-
Вентиляторы обдува компрессоров.
Компрессор винтовой CX01-90-340-EVO
Характеристики товара
Frascold представляет полную линейку компактных винтовых компрессоров серии CX EVO, разработанных в соответствии с экологическими стандартами, что обеспечивает достижение установленных целей. Эта серия, состоящая из 12 моделей, отличается высокой эффективностью, надежностью и гибкостью в различных областях применения, особенно при частичных нагрузках. Данная серия поддерживает хладагенты: УВ, ГХФУ, ГФУ, ГФO, и Смесь ГФO. Объемная производительность моделей колеблется от 264 до 1085 м³/ч, а номинальная мощность двигателя — от 52,2 до 231,2 кВт.
Модельный ряд CX EVO.
| Модель | Объемный расход, м3/ч | Производительность. | Макс. рабочий ток PWS, А | Всысывание, мм | Нагнетание, мм | Вес, кг |
| CX01-70-264-EVO | 264 | 75% - 50 % - 25% | 125 | 54 | 80 | 505 |
| CX01-80-298-EVO | 298 | 75% - 50 % - 25% | 145 | 54 | 80 | 515 |
| CX01-90-340-EVO | 340 | 75% - 50 % - 25% | 152 | 54 | 80 | 525 |
| CX51-110-398-EVO | 398 | 75% - 50 % - 25% | 180 | 80 | 105 | 870 |
| CX51-125-468-EVO | 468 | 75% - 50 % - 25% | 198 | 80 | 105 | 875 |
| CX51-140-538-EVO | 538 | 75% - 50 % - 25% | 221 | 80 | 105 | 878 |
| CX91-160-620-EVO | 620 | 75% - 50 % - 25% | 283 | 80 | 105 | 1475 |
| CX91-180-702-EVO | 702 | 75% - 50 % - 25% | 315 | 80 | 105 | 1475 |
| CX91-210-810-EVO | 810 | 75% - 50 % - 25% | 356 | 105 | DN125 | 1475 |
| CX91-240-912-EVO | 912 | 75% - 50 % - 25% | 427 | 105 | DN125 | 1475 |
| CX91-280-1000-EVO | 1000 | 75% - 50 % - 25% | 474 | 105 | DN125 | 1490 |
| CX91-310-1085-EVO | 1085 | 75% - 50 % - 25% | 490 | 105 | DN125 | 1490 |
Номин. мощн-ть двигателя kW 67,1
Объемная произв-ть @ (2900 rpm - 50 Hz) m³/h 340
Объемная произв-ть @ (3480 rpm - 60 Hz) m³/h 408
Электропитание V/ph/Hz/Connection 400/3/50/PWS
MRA A 152
LRA A 405
LRA DOL A 649
Вес нетто kg 525
Холодильное масло FRASCOLD POE170
Заправка маслом l 11
Максимальное рабочее давление HP bar 30
Максимальное статическое давление BP bar 20,5
Ступень произв-ти % 100-75-50-25
Стандартные аксессуары - CX01-90-340-EVO
Электронный защитный модуль INT69FRY T00EC45B
Встроенный трехступенчатый маслоотделитель
Заменяемый масляный фильтр
Нагреватель масла T00CH37
Индикатор(ы) уровня масла
Впускной фланец с втулкой под сварку
Сливной кран с соединением под сварку
Обратный клапан и внутренний вентиляционный клапан
Ступенчатый контроль емкости и запуск без нагрузки
Распределительная коробка IP65
Датчик температуры масла PTS T00EC53
Кран для слива масла
Защитный заряд азота
Защитная упаковка, соответствующая транспортному средству
Дополнительные аксессуары - CX01-90-340-EVO
Электронный защитный и диагностический модуль INT69FRYL T00EC45AD
Кран подачи с соединением под сварку
Осевое всасывание
Бесступенчатый контроль емкости
Двигатель для работы с особым напряжением
Электронное реле уровня T00WP253
Электронный датчик засорения масляного фильтра T00WK151
Электронный модуль аварийной сигнализации T00EC28
Соединительный комплект экономайзера или впрыск жидкости
Комплект адаптера для наружного маслоохладителя T00WK1450
Шток запуска DOL
Антивибрационные опоры (4 штуки)
Специальная краска
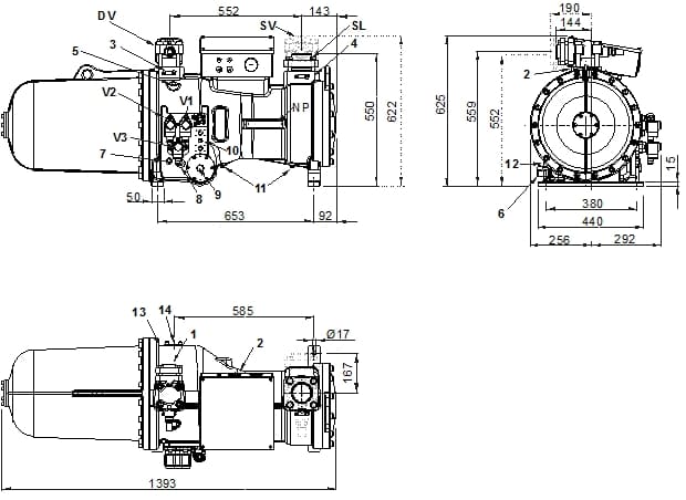
Расположение и соединения:
SV: Всасывающий вентиль mm 80
SV: Всасывающий вентиль inch 3 1/8"
DV: Нагнетательный вентиль mm 54
DV: Нагнетательный вентиль inch 2 1/8"
SL: Подключение всасывающей линии 3 1/8"
V1: Клапан регулировки производительности -
V2: Клапан регулировки производительности -
V3: Клапан регулировки производительности -
1: Разъем для высокого давления 1/8" NPT
2: Разъем для низкого давления 1/8" NPT
3: Разъем для высокого давления 1/4" SAE x 1/4" SAE
4: Разъем для низкого давления 1/4" SAE x 1/4" SAE
5: Заглушка (заправка масла) 3/8" GAS
6: ТЭН подогрева картера -
7: Разъем для регулятора уровня масла 3/4" NPT
8: Смотровое стекло уровня масла -
9: Подключение датчика засорения фильтра 1/2" GAS
10: Разъем для маслоохладителя 1/2" NPT
11: Заглушка для слива масла 1/4" NPT
12: Клапан слива масла 1/8" NPT
13: Датчик максимальной температуры масла -
14: Разъем ECO / впрыск жидкости 1 1/8"
NP: Заводская этикетка на компрессоре -
Дополнительная информация
Технические характеристики компрессора Frascold
Декларация о соответствии компрессоров Frascold
Сертификат - ISO 9001-2015
Полезные ссылки



