Полезные статьи
-
Cерия чиллеров моделей «V-NRG” Холодопроизводительность от 200 до 730 кВт
-
Вентиляторы обдува компрессоров.
Частотный преобразователь VCI-G2.2-4B 380 (INSTART)
Характеристики товара
Преобразователи частоты серии VCI – это одни из самых компактных и простых устройств в управлении электродвигателями в линейке преобразователей частоты INSTART. Надежные преобразователи частоты мощностью от 0,4 до 4,0 кВт представляют собой простое и экономически эффективное решение для управления электродвигателем.
ПРОСТОТА В ИСПОЛЬЗОВАНИИ
Необходимый минимум настроек и функциональных возможностей для решения простых задач
КОМПАКТНОСТЬ
Оптимальные габаритные размеры
ВСТРОЕННЫЙ СЕТЕВОЙ ПРОТОКОЛ
В базовой комплектации встроенный ModBUS RTU
- ОПЦИЯ – ВЫНОСНАЯ ПАНЕЛЬ УПРАВЛЕНИЯ
Дополнительная выносная панель имеет возможность выноса удлинительным кабелем длиной до 10 м
ОПТИМАЛЬНАЯ СОВОКУПНОСТЬ ЗАЩИТНЫХ ФУНКЦИЙ:
токовая защита от перегрузки двигателя;
токовая защита мгновенного действия;
защита двигателя от перегрева; защита от замыкания выходных фаз на землю; защита от перегрева выходных каскадов;
защита от повышенного или пониженного напряжения;
защита от пропадания фазы на входе;
защита от ошибок передачи данных;
защита от пропадания фаз на выходе;
ОБЛАСТЬ ПРИМЕНЕНИЯ
Основное применение серии VCI – системы вентиляции и насосные агрегаты. Также преобразователи частоты серии VCI используются для общепромышленного применения.
СИСТЕМА ОБОЗНАЧЕНИЯ

- Серия
- Режим G – общепромышленный*
- Мощность электродвигателя (кВт) для общепромышленного режима (G)
- Режим P – насосный**
- Мощность электродвигателя (кВт) для насосного режима (P)
- Номинальное напряжение:
2: 1 ~ 220 В ± 15%, 50/60 Гц 4:
3 ~ 380 В ± 15%, 50/60 Гц
7. Встроенный тормозной модуль
8. Встроенный дроссель постоянного тока
9. Платы расширения (является опцией для преобразователей частоты серии FCI
и LCI)
10. Дополнительное защитное покрытие плат лаком
11. Защитное покрытие плат компаундом
ДОКУМЕНТЫ ДЛЯ СКАЧИВАНИЯ :
Руководство по эксплуатации преобразователь частоты серии VCI
Каталог преобразователи частоты серии VCI
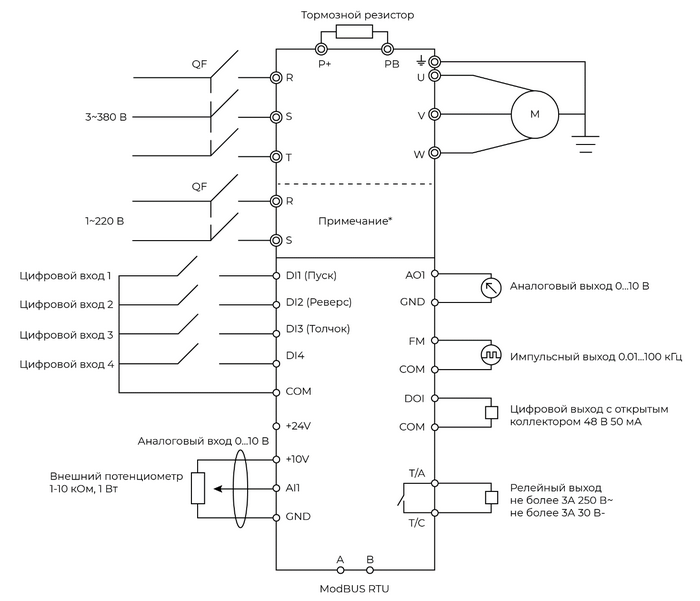
СХЕМА ПОДКЛЮЧЕНИЯ
* Подключение для моделей VCI-G0.4-2B, VCI-G0.75-2B, VCI-G1.5-2B, VCI-G2.2-2B










